返回
真空发生器
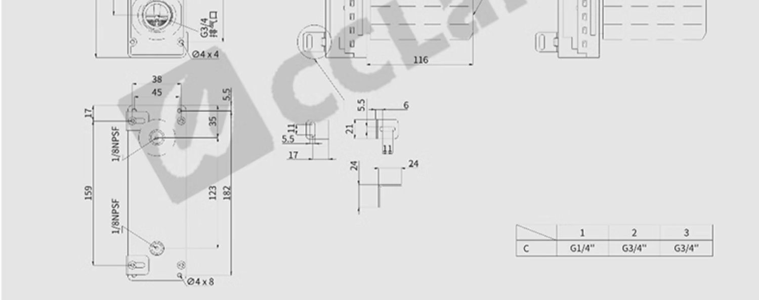
CM25/50/75/100-C CM125/150-D CM25/50/75/100-C-A CM125/150-D-A CL25/50/75/100-C CL125/150-D CH25/50/78/5-C 多级高真空型发生器
2024-07-31 17:16241
信息概况
  • 价格:未填
  • 品牌:CCLair/昌林
  • CH50多级高真空型发生器:CM25/50/75/100-C CM125/150-D CM25/50/75/100-C-A CM125/150-D-A CL25/50/75/100-C CL125/150-D CH25/50/
  • 发货:3天内
联系方式
  • 举报
关闭
同类了解产品