返回
变量柱塞泵
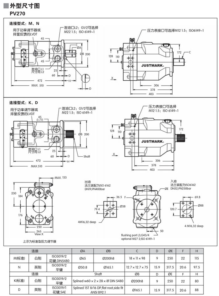
PV080HLRMIA,PV092HLRMIA,PV140HLRMIA,PV180HLRMIA变量柱塞泵
2016-01-26 11:041411
信息概况
  • 价格:未填
  • 发货:3天内
联系方式
  • 举报
关闭
同类了解产品