返回
单向/节流阀
首页
>
了解产品
>
气动器材 气动阀
>
控制元件
>
单向/节流阀
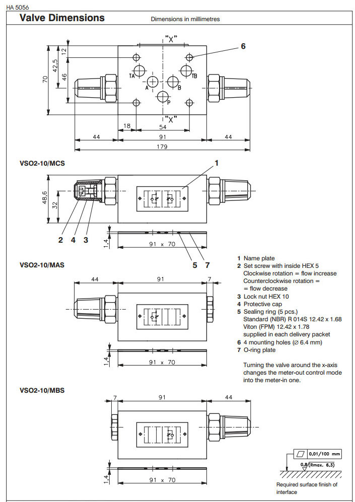
VSO2-10/MA,VSO2-10/MB,VSO2-10/MC,ARGO双单向节流阀
2016-01-25 16:29
726
信息概况
价格:
未填
型号:
VSO2-10/MA,VSO2-10/MB,VSO2-10/MC
发货:
3天内
发送询价
VSO2-10/MA,VSO2-10/MB,VSO2-10/MC,ARGO双单向节流阀
联系方式
姓名:销售员1634(女士)
电话:
13861877712
传真:0510-82328771
地区:江苏-无锡市
地址:
无锡市会北路28-135
QQ:
2355802921
0
人关注
0
人点赞
举报
评分:
分
扫一扫访问当前网页
复制链接
二维码
短信
邮件
关闭
同类了解产品
KAB系列可控型单向阀
QLA系列单向节流阀
KA系列单向阀
叠加式单向节流阀MSB-01-X-50,MSB-02-X-50,MSB-03-X-50,MSB-04-X-50,MSB-06-X-50,
叠加式单向节流阀MSA-01-X-50,MSA-01-Y-50,MSA-02-X-50,MSA-02-Y-50,MSA-03-X-50,MSA-03-Y-50,MSA-04-X-50,MSA-06-X-50,
叠加式单向节流阀MSW-01-X-50,MSW-01-Y-50,MSW-02-X-50,MSW-02-Y-50,MSW-03-X-50,MSW-03-Y-50,MSW-04-X-50,MSW-06-X-50,
取消
发送询价
分享好友
了解产品首页
频道列表
我要评论