返回
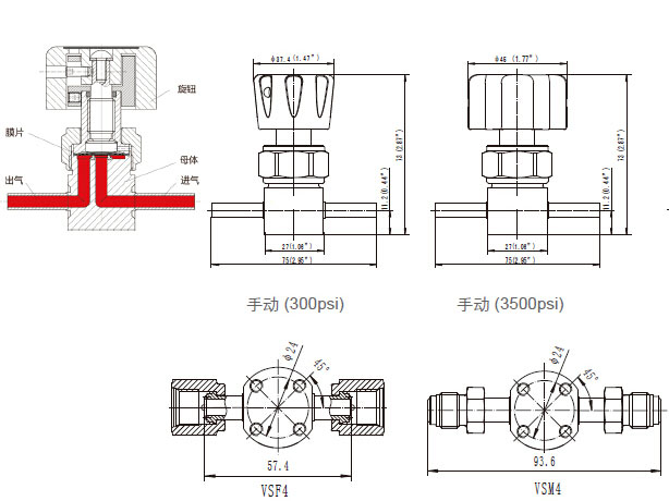
隔膜阀
SL-DV74MH,SL-DV74ML,SL-DV74PH,SL-DV74PL,SL-DV74MHP-VSM4,膜片阀
2016-01-24 19:071083
信息概况
  • 价格:未填
  • 型号:SL-DV74MH,SL-DV74ML,SL-DV74PH,SL-DV74PL,SL-DV74MHP-VSM4,膜片阀
  • 发货:3天内
联系方式
  • 举报
关闭
同类了解产品