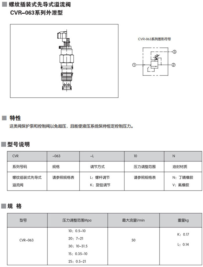
CVR-063-L10N,CVR-063-K10N,CVR-063-L20N,CVR-063-L30N,CVR-063-L1SN,CVR-063-L2SN,螺纹插装式先导式溢流阀


CVR-063-K20N,CVR-063-K30N,CVR-063-K1SN,CVR-063-K2SN,CVR-063-L10V,CVR-063-L20V,CVR-063-L30V,
CVR-063-L1SV,CVR-063-L2SV,CVR-063-K10V,CVR-063-K20V,CVR-063-K30V,CVR-063-K1SV,CVR-063-K2SV,