返回
针型阀
首页
>
了解产品
>
阀门 流体控制
>
阀门管件配件
>
针型阀
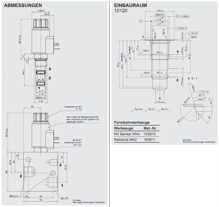
PWK10121C-20-C-N-21-0,HYDAC比例针型阀
2016-01-23 11:11
844
信息概况
价格:
未填
型号:
PWK10121C-20-C-N-21-0,
发货:
3天内
发送询价
PWK10121C-20-C-N-21-0,HYDAC比例针型阀
联系方式
姓名:销售员1642(女士)
电话:
13861877712
传真:0510-82328771
地区:江苏-无锡市
地址:
无锡市会北路28-135
QQ:
2355802919
0
人关注
0
人点赞
举报
评分:
分
扫一扫访问当前网页
复制链接
二维码
短信
邮件
关闭
同类了解产品
J48H-10-DN10,J48H-10-DN15,J48H-10-DN20,J48W-16P-DN10,J48W-16P-DN15,J48W-16P-DN20,J48W-25P-DN10,J48W-25P-DN15,J48W-25P-DN20,法兰式针型阀
SS-NIP2R-M4-K6-A-SH-P,SS-NI3V-F4-K6-A-SH-P,NIP和NI帽式针阀—不锈钢管阀件
SS-NG8-MA-G,SS-NG8-SW14mm-G,SS-NG通用针阀—不锈钢管阀件
SNV-ST148B3740,Danfoss截止针阀
SNV-ST148B3741,Danfoss截止针阀
SNV-ST148B3745,Danfoss截止针阀
取消
发送询价
分享好友
了解产品首页
频道列表
我要评论