返回
比例方向阀
首页
>
了解产品
>
液压元件 液压阀
>
比例阀 伺服阀
>
比例方向阀
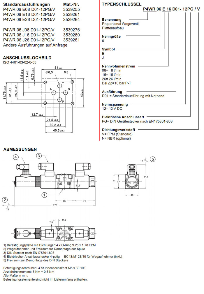
P4WR06E08D01-12PG/V,P4WR06E16D01-12PG/V,P4WR06E26D01-12PG/V,P4WR06E08D01-12PG/V,HYDAC比例换向阀
2016-01-23 10:06
733
信息概况
价格:
未填
型号:
P4WR06E08D01-12PG/V,P4WR06E16D01-12PG/V,P4WR06E26D01-12PG/V,P4WR06E08D01-12PG/V,
发货:
3天内
发送询价
P4WR06E08D01-12PG/V,P4WR06E16D01-12PG/V,P4WR06E26D01-12PG/V,P4WR06E08D01-12PG/V,HYDAC比例换向阀
P4WR06E16D01-12PG/V,P4WR06E26D01-12PG/V,
联系方式
姓名:销售员1642(女士)
电话:
13861877712
传真:0510-82328771
地区:江苏-无锡市
地址:
无锡市会北路28-135
QQ:
2355802919
0
人关注
0
人点赞
举报
评分:
分
扫一扫访问当前网页
复制链接
二维码
短信
邮件
关闭
同类了解产品
CSBF-G25,CSBF-G30,CSBF-G40,CSBF-G50,方向阀
DPBD-KWV,DPCD-KWV,DPBD-KAN,DPCD-KAN,DPBD-KAV,DPCD-KAV,DPBD-KBN,DPCD-KBN,DPBD-KBV,DPCD-KBV,DPBD-KDN,DPCD-KDN,DPBD-KDV,DPCD-KDV,DPBD-KEN,DPCD-KEN,DPBD-KEV,DPCD-KEV方向阀
DPCP-CWV,DPBP-KAN,DPCP-KAN,DPBP-KAV,DPCP-KAV,DPBP-KBN,DPCP-KBN,DPBP-KBV,DPCP-KBV,DPBP-KDN,DPCP-KDN,DPBP-KDV,DPCP-KDV,DPBP-KEN,DPCP-KEN,DPBP-KEV,DPCP-KEV方向阀
DRBD-CWV,DRBD-CAN,DRBD-CAV,DRBD-CBN,DRBD-CBV,DRBD-CDN,DRBD-CDV,DRBD-CEN,DRBD-CEV,DRBD-KAN,DRBD-KAV,DRBD-KBN,DRBD-KBV,DRBD-KDN,DRBD-KDV,DRBD-KEN,DRBD-KEV方向阀
DRBR-CSN,DRBR-CSV,DRBR-CWN,DRBR-CWV,DRBR-KAN,DRBR-KAV,DRBR-KBN,DRBR-KBV,DRBR-KNN,DRBR-KNV,DRBR-KEN,DRBR-KEV,DRBR-KSN,DRBR-KSV,DRBR-KWN,DRBR-KWV方向阀
DVBA-8FN,DVBA-8FV,DVBB-8FN,DVBB-8FV,DVBC-8FN,DVBC-8FV,DVBD-8FN,DVBD-8FV,方向阀
取消
发送询价
分享好友
了解产品首页
频道列表
我要评论