返回
摆线马达
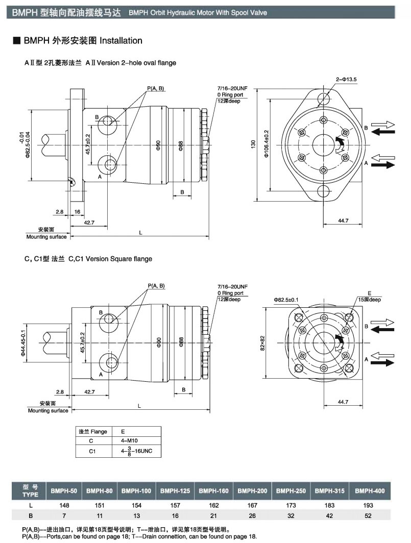
BMPH-50,BMPH-80,BMPH-100,BMPH-125,BMPH-160,BMPH-200,BMPH-250,BMPH-315,BMPH-400,轴向配油摆线马达
2016-01-20 15:45999
信息概况
  • 价格:未填
  • 型号:BMPH-50,BMPH-80,BMPH-100,BMPH-125,BMPH-160,BMPH-200,BMPH-250,BMPH-315,BMPH-400,轴向配油摆线马达
  • 发货:3天内
联系方式
  • 举报
关闭
同类了解产品