返回
卸荷阀
首页
>
了解产品
>
液压元件 液压阀
>
压力控制阀
>
卸荷阀
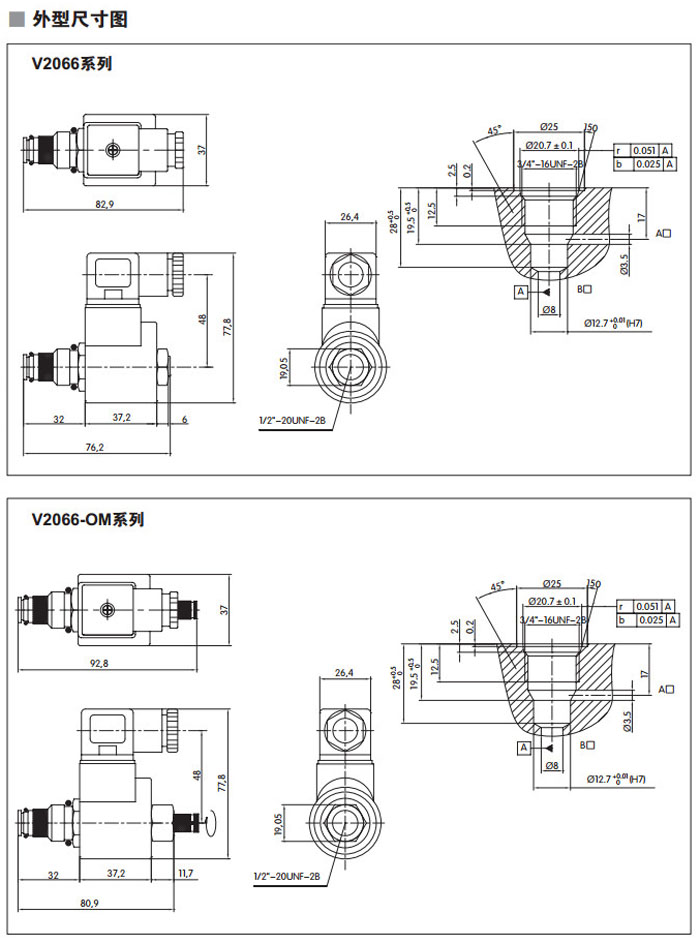
V2066-D12,V2066-D24,V2066-A15,V2066-A25,V2066-D12-NO-OM,V2066-A25-NC,插装式无泄漏阀
2016-01-19 14:41
1083
信息概况
价格:
未填
型号:
V2066-D12,V2066-D24,V2066-A15,V2066-A25,V2066-D12-NO-OM,V2066-A25-NC,插装式无泄漏阀
发货:
3天内
发送询价
V2066-D12,V2066-D24,V2066-A15,V2066-A25,V2066-D12-NO-OM,V2066-A25-NC,插装式无泄漏阀
V2066-D12-NC,V2066-D24-NC-OM,V2066-D24-NC,V2066-A15-NC-OM,V2066-A15-NC,V2066-A25-NC-OM,
V2066-A25-NO,V2066-D12-NC-OM,V2066-D12-NO,V2066-D24-NO-OM,V2066-D24-NO,V2066-A15-NO-OM,
V2066-A15-NO,V2066-A25-NO-OM,
联系方式
姓名:销售员1565(女士)
电话:
13861877712
传真:0510-82306839
地区:江苏-无锡市
地址:
无锡市会北路28-135
QQ:
2355802921
0
人关注
0
人点赞
举报
评分:
分
扫一扫访问当前网页
复制链接
二维码
短信
邮件
关闭
同类了解产品
SVV06-G3/8-L-DC12V,SVV06-G3/8-L-DC24V,SVV06-G1/2-L-DC12V,SVV06-G1/2-L-DC24V,SVV06电磁切换阀
ZSX-40,气动卸荷阀
VHR-7,VHR-10,VHR-15,VHU-7,VHU-10,VHU-15,VHD-7,VHD-10,VHD-15,VHR-7L2-A,DYNEX卸荷解压阀
QDV15148H3272,Danfoss泄油阀
MPHS2000-01,MPHS3000-01,MPHS4000-01,MPHS2000-02,MPHS3000-02,MPHS4000-02,残压释放阀
XHF-L6,卸荷阀
取消
发送询价
分享好友
了解产品首页
频道列表
我要评论