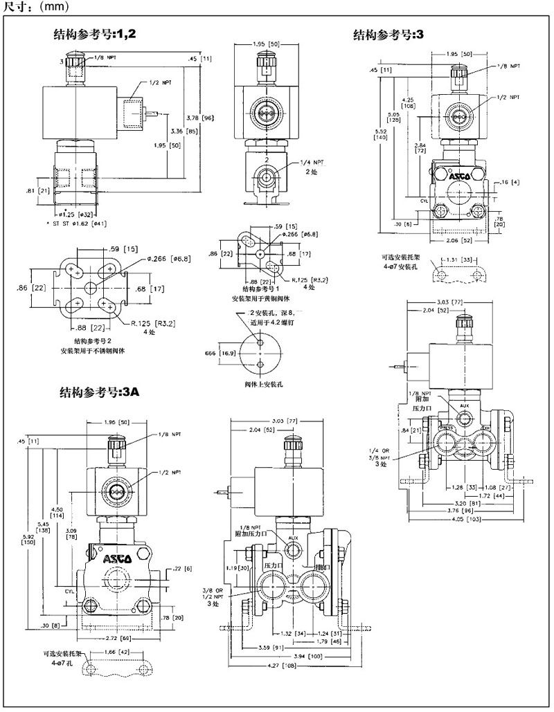
8262G320,8314G301,8316G301,8317G307,EV8345G381,asco电磁阀





8223G323,8223G303,8262G386,8223G310,8314G300,8316G302,8316G303,8316G304,8316G374,
8316G334,EV8316G381V,EV8316G382V,EV8316G384V,8317G308,8345G301,8344G370,8344G372,
8344G374,8344G376,8344G378,8344G344,8344G380,8344G382,8344G354,8344G356,