返回
球阀
首页
>
了解产品
>
阀门 流体控制
>
通用阀门
>
球阀
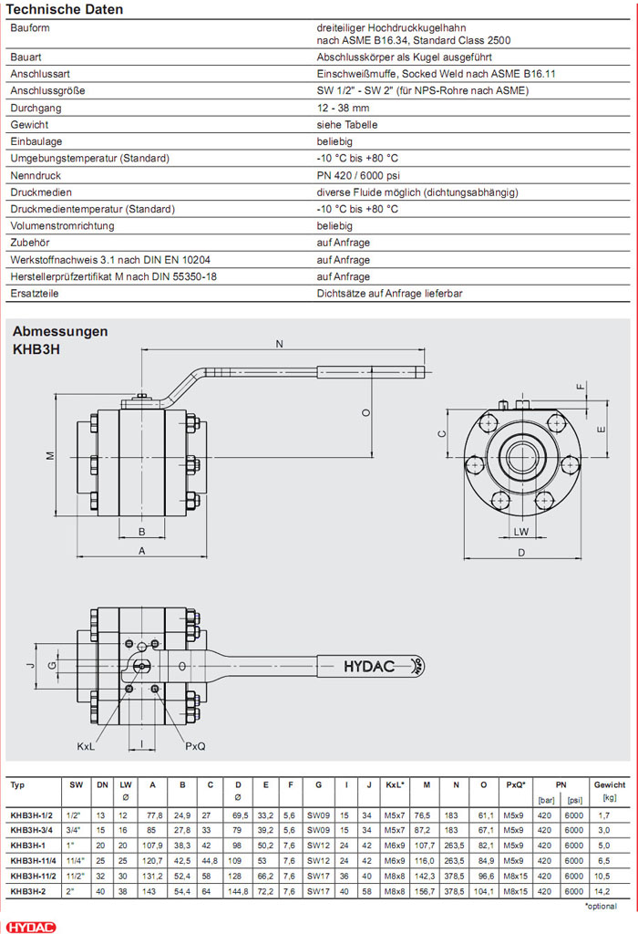
KHB3H-1/2,KHB3H-3/4,KHB3H-1,KHB3H-11/4,KHB3H-11/2,KHB3H-2,HYDAC 2路高压球阀
2016-01-16 16:56
643
信息概况
价格:
未填
型号:
KHB3H-1/2,KHB3H-3/4,KHB3H-1,KHB3H-11/4,KHB3H-11/2,KHB3H-2,
发货:
3天内
发送询价
KHB3H-1/2,KHB3H-3/4,KHB3H-1,KHB3H-11/4,KHB3H-11/2,KHB3H-2,HYDAC 2路高压球阀
联系方式
姓名:销售员1642(女士)
电话:
13861877712
传真:0510-82328771
地区:江苏-无锡市
地址:
无锡市会北路28-135
QQ:
2355802919
0
人关注
0
人点赞
举报
评分:
分
扫一扫访问当前网页
复制链接
二维码
短信
邮件
关闭
同类了解产品
B2P/B3P290/391/490-15/20/25/32G/N B2P/B3P290/391/490-40/50/65/80T/K,B2P/B3P球阀
B2P72903/93905/74907-15/20/25/32G/N/F-F B3P72904/93906/74908-40/50/65/80T/K/H-F B2P94909/949012-15/20/25/32F-F B3P949010-40/50/65/80H-F球阀
B3T72903/93905-15/20/25/32G/N-T1/T3-F/F7 B3T72904/93906-40/50/65/80T/F-T2/T4-F/F7 B3T74907/74909-15/20/25/32K-L5/L7-F8 B3T74908/4910/4911-40/50/65/80K-L6/L7-F8
B3Q72906/92907-25K-T1/2/3/4-F/F7 B3Q72906/92907-25K-T5/6/7-F8,B3Q球阀
TXD-H25-NPT1/H32-NPT11/4,AJW/TXD型蓄能器专用球阀
AQF-L40H/LS40H/LW40H-A,AQF-L25H/LS25H/LW25H/L32H/LS32H/LW32H-A AQF型蓄能器球阀
取消
发送询价
分享好友
了解产品首页
频道列表
我要评论