返回
补偿器
首页
>
了解产品
>
液压辅助元件
>
冷却与换热装置
>
补偿器
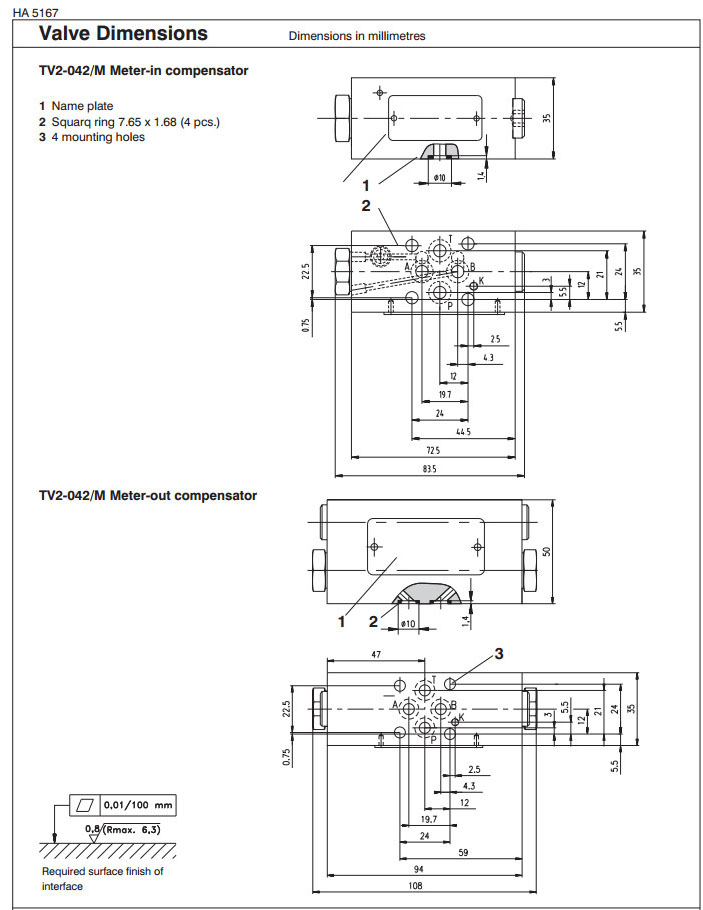
TV2-042/MA,TV2-042/MB,TV2-042/MC,TV2-042/MD,TV2-042/ME,TV2-042/MF,ARGO 2路压力补偿器
2016-01-16 16:24
878
信息概况
价格:
未填
型号:
TV2-042/MA,TV2-042/MB,TV2-042/MC,TV2-042/MD,TV2-042/ME,TV2-042/MF
发货:
3天内
发送询价
TV2-042/MA,TV2-042/MB,TV2-042/MC,TV2-042/MD,TV2-042/ME,TV2-042/MF,ARGO 2路压力补偿器
联系方式
姓名:销售员1634(女士)
电话:
13861877712
传真:0510-82328771
地区:江苏-无锡市
地址:
无锡市会北路28-135
QQ:
2355802921
0
人关注
0
人点赞
举报
评分:
分
扫一扫访问当前网页
复制链接
二维码
短信
邮件
关闭
同类了解产品
不锈钢波纹补偿器 KBL-32,KBL-40,KBL-50,KBL-65,KBL-80,KBL-100,KBL-125,KBL-150,KBL-200,KBL-250,KBL-300
TV2-062/MA,TV2-062/MB,TV2-062/MC,TV2-062/MD,TV2-062/ME,TV2-062/MF,ARGO 2路压力补偿器
TV2-102/S,TV2-102/MA,TV2-102/MB,TV2-102/MC,TV2-102/MD,TV2-102/ME,TV2-102/MF,ARGO 2路压力补偿器
TV2-043/MA,TV2-043/MB,TV2-043/MC,TV2-063/MA,TV2-063/MB,TV2-063/MC,ARGO 3路压力补偿器
TV2-103/S,TV2-103/MA,TV2-103/MB,TV2-103/MC,ARGO 3路压力补偿器
DWDPUB-5D-10-S0515-1,DWDPUB-5D-10-S01-1,DWDPUB-5D-10-S04-1,Bucher压力补偿器
取消
发送询价
分享好友
了解产品首页
频道列表
我要评论