返回
开关类
首页
>
了解产品
>
气动辅助元件
>
气动辅助元件
>
开关类
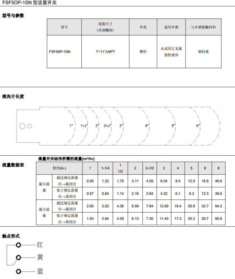
FSF50P-1SN,流量开关
2016-01-16 15:22
502
信息概况
价格:
未填
型号:
FSF50P-1SN,流量开关
发货:
3天内
发送询价
FSF50P-1SN,流量开关
联系方式
姓名:销售员 1641(先生)
电话:
13861877712
传真:0510-82328771
地区:江苏-无锡市
地址:
无锡市会北路28-135
QQ:
2355802919
0
人关注
0
人点赞
举报
评分:
分
扫一扫访问当前网页
复制链接
二维码
短信
邮件
关闭
同类了解产品
PSNS-103,PSNS-106,PSNS-110,PSNS-120,压力开关PSNS系列
W13,磁性开关
RO,磁性开关
D-C72,磁性开关
D-C73,磁性开关
D-A72,磁性开关
取消
发送询价
分享好友
了解产品首页
频道列表
我要评论