返回
吸油过滤器
首页
>
了解产品
>
液压辅助元件
>
液压过滤器及装置
>
吸油过滤器
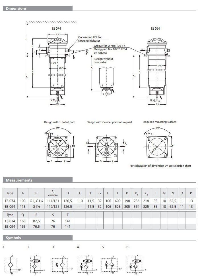
ES074-6801,ES074-6110,ES074-6120,ES074-6121,ES074-6141,ES074-0001,ES094-6801,ES094-6110,ARGO吸油过滤器
2016-01-16 13:57
872
信息概况
价格:
未填
型号:
ES074-6801,ES074-6110,ES074-6120,ES074-6121,ES074-6141,ES074-0001,ES094-6801,ES094-6110
发货:
3天内
发送询价
ES074-6801,ES074-6110,ES074-6120,ES074-6121,ES074-6141,ES074-0001,ES094-6801,ES094-6110,ARGO吸油过滤器
联系方式
姓名:销售员1634(女士)
电话:
13861877712
传真:0510-82328771
地区:江苏-无锡市
地址:
无锡市会北路28-135
QQ:
2355802921
0
人关注
0
人点赞
举报
评分:
分
扫一扫访问当前网页
复制链接
二维码
短信
邮件
关闭
同类了解产品
CXL-25x80,CXL-40x100,CXL-63x180,CXL-100x80,CXL-160x100,CXL-250x180,CXL-400x80,CXL-630x100,CXL-800x180,X-CX25x95-CX40x115-CX63x140-CX100x190-CX160x198-CX250x268-CX400x281-CX630x329-CX800x
AFF250-02,AFF250-02D,AFF250-03,AFF350-04,AFF350-04D,AFF450-04,AFF450-04D,AFF250-04,AFF250-04D,AFF350-03,AFF350-03D,AFF250-03D,主管路过滤器
¥
999.00
AMF250-02,AMF250-03,AMF250-04,AMF350-04,AMF550-10,AMF650-10,AMF650-14,AMF850-14,AMF450-04,AMF450-06,AMF550-06,AMF350-03,除臭过滤器
¥
999.00
UH209,UH209HC12AS07HGD,UE209AT,液压油过滤器 UH209HA12ATO7ZGLH,UE209AZ,过滤器滤芯
DFZBH/HC60QB10D1.X/-L24,DFZV30QB,DFZVC60QC,DFZV110QC,DFZBH/HC30QB,DFZBH/HC60QC,DFZBH/HC110QC,DFZBN/HC30QB20BM1.0,DFZ高压过滤器
HH8314C24,HH8314C32KPXB2,HC8314FKZ,8314,HH8314F24,HH8314C32,HH8314F48KTXAV1,低压过滤器
取消
发送询价
分享好友
了解产品首页
频道列表
我要评论