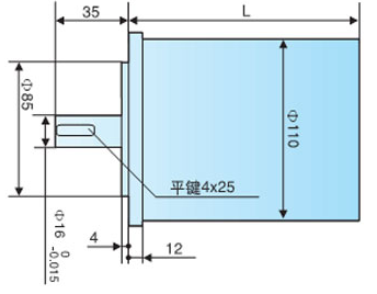
110BYG350A,110BYG350B,110BYG350C,步进电机
工作环境: -25°C - +55°C(温度) 10 -85%不结露(湿度) 无腐蚀性、易燃易爆、导电性气 体或液体、无金属粉尘 绝缘电阻:500V DC 100MΩ Min 轴向间隙:0.1 --- 0.3mm 径向跳动:0.02mm Max 温 升:85°C Max 绝缘强度:B