返回
断路阀
首页
>
了解产品
>
液压元件 液压阀
>
矿用液压配件
>
断路阀
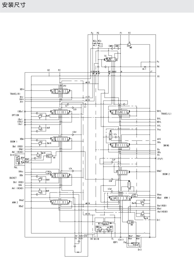
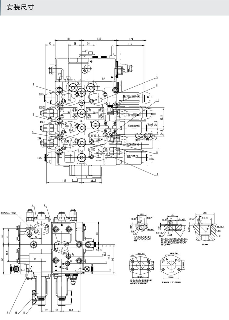
VM28NF,整体式多路阀
2016-01-16 09:55
714
信息概况
价格:
未填
型号:
VM28NF,整体式多路阀
发货:
3天内
发送询价
VM28NF,整体式多路阀
联系方式
姓名:销售员1631(女士)
电话:
13861877712
传真:0510-82328771
地区:江苏-无锡市
地址:
无锡市会北路28-135
QQ:
2355802919
0
人关注
0
人点赞
举报
评分:
分
扫一扫访问当前网页
复制链接
二维码
短信
邮件
关闭
同类了解产品
MSV04-1,MSV04-2,MSV04-3,MSV04-4,MSV04-5,MSV04-6,MSV04,多路阀
MSVO4-41235-F,MSVO4-41235-L,MSVO4-41235,多路阀
MSVO4-41233,不带分流多路阀
MSVO4-43333-Y,MSVO4-43333,液控多路阀
FYZ-42,三路阀
WYZ-81,多路阀
取消
发送询价
分享好友
了解产品首页
频道列表
我要评论