返回
方向控制阀
首页
>
了解产品
>
液压元件 液压阀
>
方向控制阀
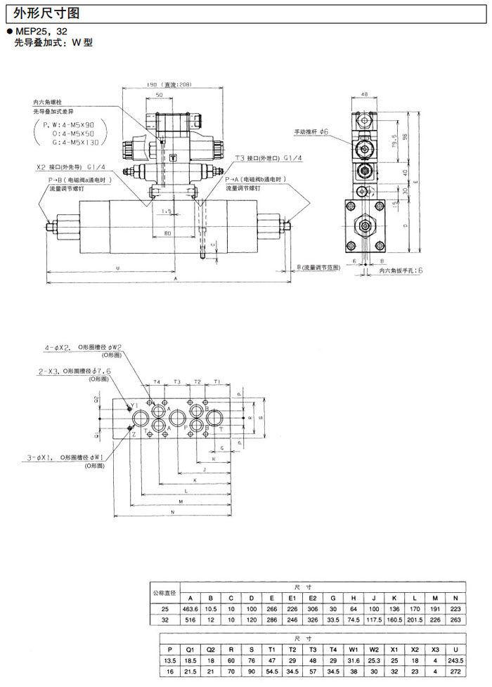
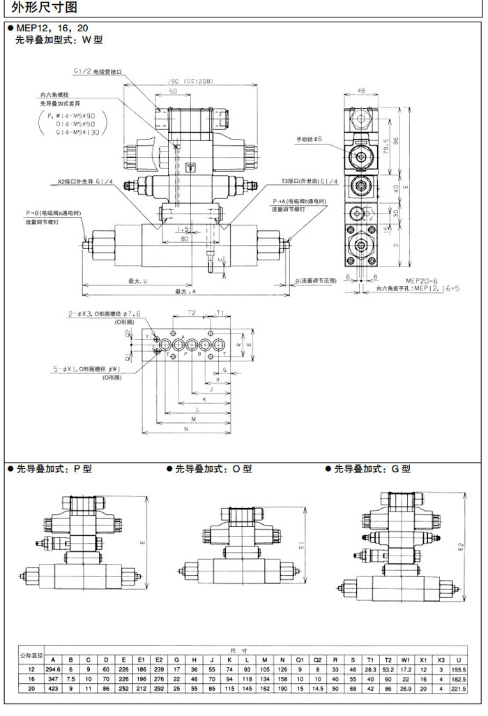
MEP12,MEP16,MEP20,MEP25,MEP32,DAIKIN电磁先导换向阀
2016-01-07 21:05
647
信息概况
价格:
未填
型号:
MEP12,MEP16,MEP20,MEP25,MEP32,
发货:
3天内
发送询价
MEP12,MEP16,MEP20,MEP25,MEP32,DAIKIN电磁先导换向阀
联系方式
姓名:销售员1538(女士)
电话:
13861877712
传真:0510-82328771
地区:江苏-无锡市
地址:
无锡市会北路28-135
QQ:
2355802919
0
人关注
0
人点赞
举报
评分:
分
扫一扫访问当前网页
复制链接
二维码
短信
邮件
关闭
同类了解产品
QJDL-1AC,QJDL-1DC,QJDL-2AC,QJDL-2DC,QJDL-3AC,QJDL-3DC,QJDL-4AC,QJDL-4DC,QJDZ-1AC,QJDZ-1DC,QJDZ-2AC,QJDZ-2DC,QJDZ-3AC,QJDZ-3DC,QJDZ-4AC,QJDZ-4DC,RBGL-1AC,RBGL-2AC,RBGL-3AC,RBGL-4AC,QJGL-1AC,QJGL-2AC,QJGL-3AC,QJGL-4AC干油电磁阀
24BI1-H10B-T,24BI2-H10B-T,24BI3-H10B-T,24BO-H10B-T,24BH-H10B-T,24BY-H10B-T,24BM-H10B-T,24EI1-H10B-T,24EI2-H10B-T,24EI3-H10B-TM,24EO-H10B-T,24EH-H10B-T,24EY-H10B-T,24EM-H10B-T电磁换向阀
24GDBI1-H6B-T,24GDBI2-H6B-T,24GDBI3-H6B-T,24GDBM-H6B-T,24GDBO-H6B-T,24GDBH-H6B-T,24GDBY-H6B-T,24GDEI1-H6B-T,24GDEI2-H6B-T,24GDEI3-H6B-T,24GDEM-H6B-T,24GDEO-H6B-T,24GDEH-H6B-T,24GDEY-H6B-T液压阀
24EY*-L20H-T,24E1Y*-L20H-T,24BY*-L20H-T,24EY*-L32H-T,24E1Y*-L32H-T,24BY*-L32H-T,24EY*-B20H-T,24E1Y*-B20H-T,24BY*-B20H-T,24EY*-B32H-T,24E1Y*-B32H-T,24BY*-B32H-T,34EY*-L20H-T,34E1Y*-L20H-T,34BY*-L20H-T34EY*-L32H-T,34E1Y*-L32H-T,34BY*-L32H-T电液阀
DHE-0631/2-24DC,DHE-0631/2-230AC,DHE-0631/2/A-24DC,DHE-0631/2/A-230AC,DHE-0639/O-X24DC,DHE-0639/O-X230AC,DHE-0639/C-X24DC,DHE-0639/C-X230AC,DHE-0710-24DC,DHE-0710-230AC,DHE-0711-24DC,DHE-0711-230AC,DHE-0713-24DC,DHE-0713-230AC,DHE-0714-24DC液压阀
24EO-F6B,24EO1-F6B,24EO-F6B-R,24EO1-F6B-R,24EXP-F6B,24EO-F6B-W,34EO-F6B,34EO1-F6B,34EO-F6B-W,34EO1-F6B-W,34EH-F6B,34EYX-F6B,24EO-F10B,24EO1-F10B,24EO-F10B-R,24EO1-F10B-R,24EXP-F10B,24EO-F10B-W,34EO-F10B,34EO1-F10B,34EO-F10B-W,34EO1-F10B-W液压阀
取消
发送询价
分享好友
了解产品首页
频道列表
我要评论