返回
驱动器
首页
>
了解产品
>
仪器仪表 自动化
>
自动化仪表及控制
>
驱动器
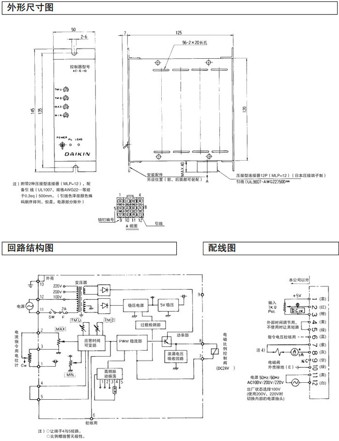
KC-6-10,DAIKIN开环控制驱动器
2016-01-07 20:47
606
信息概况
价格:
未填
型号:
KC-6-10,
发货:
3天内
发送询价
KC-6-10,DAIKIN开环控制驱动器
联系方式
姓名:销售员1538(女士)
电话:
13861877712
传真:0510-82328771
地区:江苏-无锡市
地址:
无锡市会北路28-135
QQ:
2355802919
0
人关注
0
人点赞
举报
评分:
分
扫一扫访问当前网页
复制链接
二维码
短信
邮件
关闭
同类了解产品
QP12W05S-37,QP12W05S-37A,QC962-8A,IGBT/LED驱动器
TWA-A088H3110,Danfoss热电驱动器
TWA-A088H3111,Danfoss热电驱动器
TWA-A088H3112,Danfoss热电驱动器
TWA-A088H3113,Danfoss热电驱动器
TWA-A088H3114,Danfoss热电驱动器
取消
发送询价
分享好友
了解产品首页
频道列表
我要评论