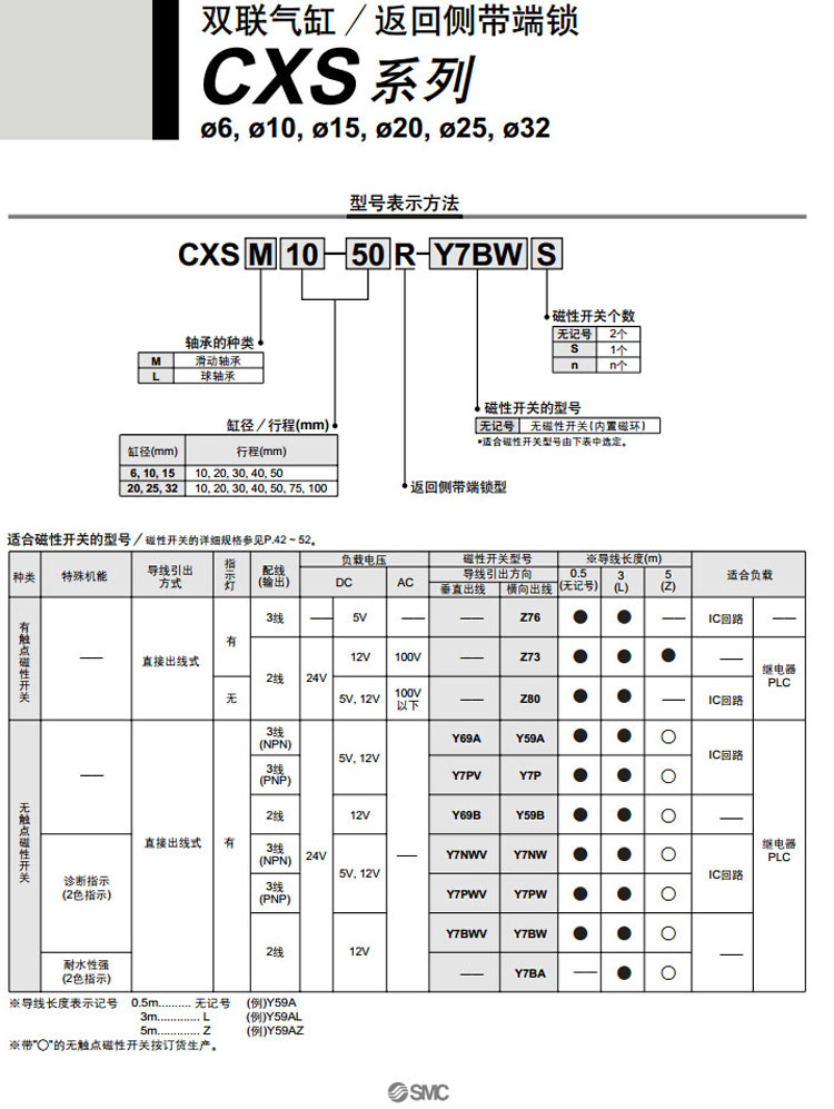
CXSM6-10R,CXSM10-10R,CXSM15-10R,CXSM20-10R,CXSM25-10R,CXSM32-10R,CXSM6-20R,SMC双联气缸




CXSM6-30R,CXSM6-40R,CXSM6-50R,CXSM10-20R,CXSM10-30R,CXSM10-40R,CXSM10-50R,CXSM15-20R,CXSM15-30R,
CXSM15-40R,CXSM15-50R,CXSM20-20R,CXSM20-30R,CXSM20-40R,CXSM20-50R,CXSM20-75R,CXSM20-100R,CXSM25-20R,
CXSM25-30R,CXSM25-40R,CXSM25-50R,CXSM25-75R,CXSM25-100R,CXSM32-20R,CXSM32-30R,CXSM32-40R,CXSM32-50R,
CXSM32-75R,CXSM32-100R,