FL5.K,FL12.K,FL25.K,FL50.K,FL100.K,FL200.K,FL400.K,磁粉离合器
产品参数
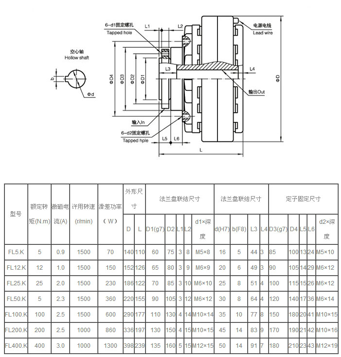
FL-K型(法兰盘输入、空心轴输出、止口支撑)磁粉离合器
FL-K型磁粉离合器的优点:
1、在磁粉离合器接合过程中,容易做到扭矩的增长很平滑,因此离合器有很好的接合平顺性能。
2、能较长时间地滑磨工作。
3、在使用过程中无须进行调整。
FL-K型磁粉离合器的工作原理较为简单,当磁粉式离合器的线圈通电时,将生产磁场,磁力线通过间隙而将磁粉吸住,此时,从动轴与主动轴一同回转即启动,当切断电流时,磁粉恢复自由,离合器即处于分离状态。
FL-K型磁粉离合器在特点方面磁粉式离合器具有接合平稳、动作迅速、运行可靠,使用寿命较长, 并可以远距离操纵, 结构简单、安装方便等。
由于FL-K型磁粉离合器本身的构造、材料等因素,导致其重量比较笨重,缺点就是重量比较重。磁粉式离合器均采用 DC24V较为安全,即使用手触碰也不影响到人身安全。
