FKG-5YN,FKG-10YN,FKG-20YN,FKG-50YN,磁粉制动器
产品参数
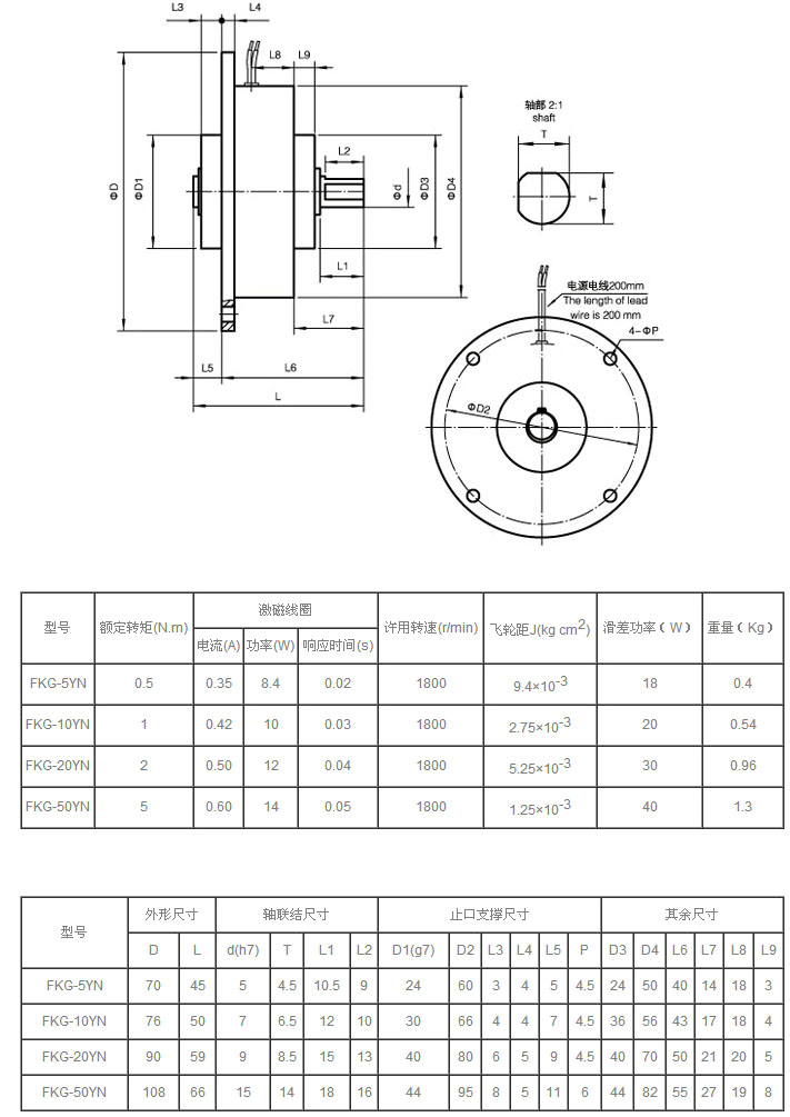
FKG-YN型( 轴联结、止口支撑)微型磁粉制动器
FKG-YN型微型磁粉制动器是根据电磁原理和利用磁粉传递转矩的,它具有激磁电流和传递转矩基本成线性关系,在同滑差无关的情况下能够传递一定的转矩,响应速度快、结构简单等优点。
FKG-YN型微型磁粉制动器是一种多用途、性能优越的自动控制元件。它广泛应用于各种机械中不同目的的制动、加载以及卷绕系统中放卷张力控制等。磁粉离合器还可用于缓冲起动、过载保护、调速等。
特点:
1.激磁电流与转矩成线性关系:磁粉类器件所传递的转矩,大致上和激磁电流的大小呈线性关系。一般而言,在5~
95%的额定转矩内,激磁电流与转矩成正比例线性关系。
2.稳定的滑差转矩:当激磁电流保持不变时,转矩将会稳定的传递,不受滑差的影响。静止和转动转矩不变。因此,只要控制电流,即能控制转矩的大小。
3.快速响应特性:磁粉离合器、制动器的无响应时间,转矩上升时间,转矩下降时间都极短,因此可以用于频繁启停、换向的场合。
4.控制功率小:功率放大倍数高,可用很小的激磁电流控制很大的传递功率,易于实现自动控制。
5.运转平稳,无振动,无冲击,低噪音。
6.过载保护:在转矩超载情况下,自动滑差运行起到过载保护作用
应用范围
电线电缆 造纸工业 包装工业 纺织工业
光纤光缆 纸加工 电机测试的加载 金属箔带加工
橡胶工业 纤维工业 印刷工业 薄膜、胶片工业
印刷工业 皮革工业 其他有关卷取加工业
典型应用举例
1. 适用于恒张力控制系统,比如:印刷机、分切机、复合机、涂布机、造纸机、拉丝机和电缆绕线机,以及金属板材、带材、胶片等加工设备和纺织机械等。
2. 作为加载器,用在发动机、电动机、电动机构、液压元件、减速器等动力机械中作转矩测量时的加载装置。
3. 无级调速,配上传感器及控制线路便可实现无级调速,特别对高转速时速度的微调和中小功率的调速系统。
4. 过载保护,当工作系统发生意外,转矩超载时,离合器自动打滑,从而保护机械设备和原动机。
