FX-0.3YN,FX-0.6YN,FX-1.2YN,FX-2.5YH,FX-5YH,FX-10YH,薄型磁粉制动器
产品参数
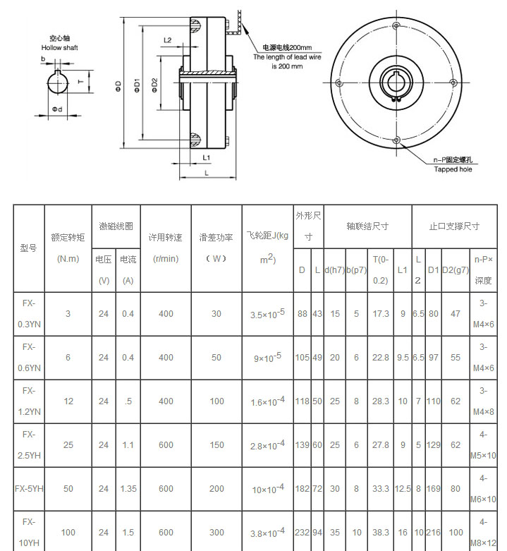
FX-YN/YH型(空心轴联结、止口支撑)薄型磁粉制动器
使用薄型磁粉制动器时必须要注意使用环境的湿度,也就是注意周边的湿气,磁粉受潮的话,磁粉刹车器的性能就会受到影响。
并且当磁粉刹车器长时间运转会造表面温度升高,因此要特别注意预防不能让水分或者油侵入内部,在安装齿轮箱时如果不正当,油分就会透过轴部侵入内部。
这里建议在安装时用薄膜完全封住,此外长时间的超额运转会导致磁粉刹车器的性能大大降低,或者会引发其它故障发生,因此请务必保证在所容许的滑动工作率之内运转。
1、FX-YN/YH型薄型磁粉制动器对于水、风冷却在运转过程中,切不可断水和风,如不能保证不中断供水和风时,应加上加装保护装置。
2、在正常运转中,特别是在新安装的FX-YN/YH型薄型磁粉制动器时应当注意其表面的温度建议不要超过80摄氏度,水冷却式制动器建议不要超过90摄氏度,强迫风冷却式建议不要超过60摄氏度。
3、 在磁粉寿命视使用条件的不同而异,当力矩下降到额定力矩的70%以下j时,可断定为磁粉老化,应当采取措施,更换磁粉。
4、在更换新磁粉后,FX-YN/YH型薄型磁粉制动器正式运转前,也应当进行试运转的相关操作,确保其后续的正常工作。
