返回
止回阀
首页
>
了解产品
>
液压元件 液压阀
>
流量控制阀
>
止回阀
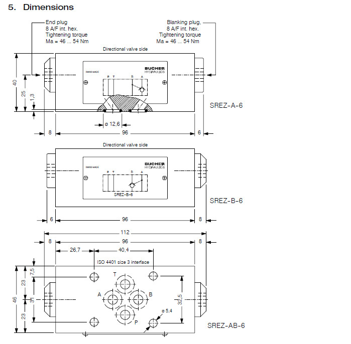
SREZ-A-6-1,SREZ-B-6-1,SREZ-AB-6-1,SREZ-A-6-V-1,SREZ-B-6-V-1,SREZ-AB-6-V-1,Bucher模块安装止回阀
2016-01-05 12:28
548
信息概况
价格:
未填
型号:
SREZ-A-6-1,SREZ-B-6-1,SREZ-AB-6-1,SREZ-A-6-V-1,SREZ-B-6-V-1,SREZ-AB-6-V-1
发货:
3天内
发送询价
SREZ-A-6-1,SREZ-B-6-1,SREZ-AB-6-1,SREZ-A-6-V-1,SREZ-B-6-V-1,SREZ-AB-6-V-1,Bucher模块安装止回阀
联系方式
姓名:销售员 1579(先生)
电话:
13861877712
传真:0510-82328771
地区:江苏-无锡市
地址:
无锡市会北路28-135
QQ:
2355802919
0
人关注
0
人点赞
举报
评分:
分
扫一扫访问当前网页
复制链接
二维码
短信
邮件
关闭
同类了解产品
CCV-102/122/162/T16/T18,CCV/CCL-062/092/082,CCN-082/102/122止回阀系列
CCV/CCL-062/092/082-X0.2N,止回阀CCV/CCL
CCN-082/102/122-L0.2N,限流止回阀
CCV-102/122/162/T16/T18,CCV/CCL-062/092/082,CCN-082/102/122止回阀系列
CCV/CCL-062/092/082-X0.2N,止回阀CCV/CCL
CCN-082/102/122-L0.2N,限流止回阀
取消
发送询价
分享好友
了解产品首页
频道列表
我要评论