返回
叠加阀
首页
>
了解产品
>
液压元件 液压阀
>
压力控制阀
>
叠加阀
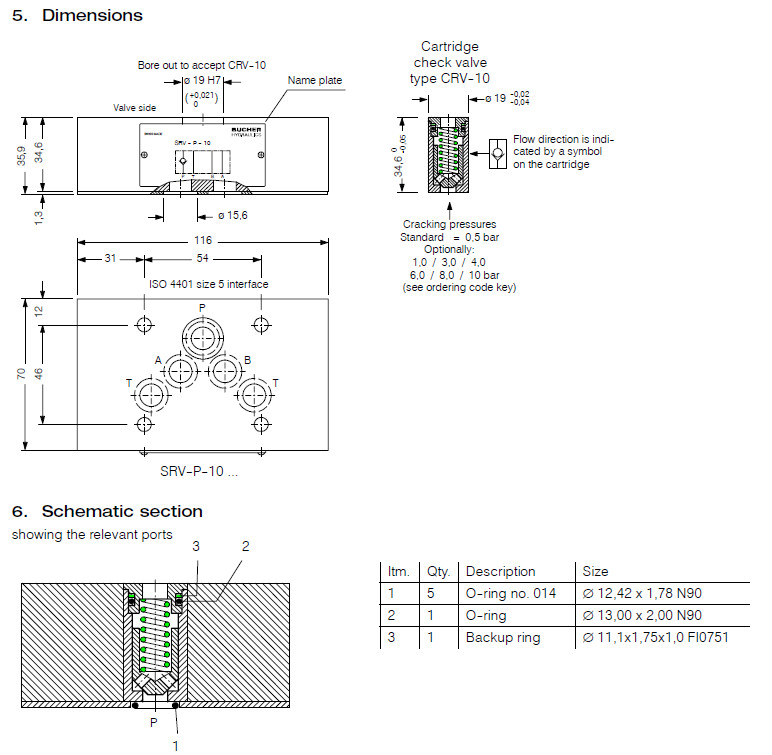
SRV-P-10-05,SRV-P-10-10,SRV-P-10-30,SRV-P-10-40,SRV-P-10-60,SRV-P-10-80,Bucher叠加阀
2016-01-05 12:21
936
信息概况
价格:
未填
型号:
SRV-P-10-05,SRV-P-10-10,SRV-P-10-30,SRV-P-10-40,SRV-P-10-60,SRV-P-10-80
发货:
3天内
发送询价
SRV-P-10-05,SRV-P-10-10,SRV-P-10-30,SRV-P-10-40,SRV-P-10-60,SRV-P-10-80,Bucher叠加阀
SRV-P-10-05-V,SRV-P-10-10-V,SRV-P-10-30-V,SRV-P-10-40-V,
SRV-P-10-60-V,SRV-P-10-80-V,SRV-P-10-100-V,
联系方式
姓名:销售员 1579(先生)
电话:
13861877712
传真:0510-82328771
地区:江苏-无锡市
地址:
无锡市会北路28-135
QQ:
2355802919
0
人关注
0
人点赞
举报
评分:
分
扫一扫访问当前网页
复制链接
二维码
短信
邮件
关闭
同类了解产品
SA-G01-A3X-R-C230-31,SA-G01-C5-R-C230-31,SA-G01-A3X-R-D2-31,不二越湿式电磁阀 SA-G01-C5-R-D2-31,SA-G01-A3X-R-C1-31,SA-G01-C5-R-C1-31, SA-G01-H3X-R-C230-31,SA-G01-C6-R-C230-31,SA-G01-H3X-R-D2-31, SA-G01-C6-R-D2-31,SA-G01-C6-R-C1-31,SA-G01-C7Y-R-C230-31,
叠加式减压阀DYJ-02A,DYJ-03A,DYJ-02B,DYJ-03B,DYJ-02P,DYJ-03P,
叠加式减压阀SPR-02A,SPR-03A,SPR-02B,SPR-03B,SPR-02P,SPR-03P,
叠加式减压阀BRVP-02,BRVP-03,BRVP-04,
叠加式减压阀BRVB-02,BRVB-03,
叠加式减压阀BRVA-02,BRVA-03,BRVA-04,
取消
发送询价
分享好友
了解产品首页
频道列表
我要评论