返回
调节阀
首页
>
了解产品
>
阀门 流体控制
>
通用阀门
>
调节阀
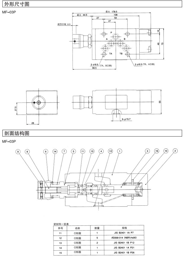
MF-03P-45,DAIKIN叠加型流量调节阀
2016-01-03 20:04
464
信息概况
价格:
未填
型号:
MF-03P-45
发货:
3天内
发送询价
MF-03P-45,DAIKIN叠加型流量调节阀
联系方式
姓名:销售员1538(女士)
电话:
13861877712
传真:0510-82328771
地区:江苏-无锡市
地址:
无锡市会北路28-135
QQ:
2355802919
0
人关注
0
人点赞
举报
评分:
分
扫一扫访问当前网页
复制链接
二维码
短信
邮件
关闭
同类了解产品
AFR-713905A-15GA-P,AFR-824110A-15TB-P, AFR-935906A-15NA-P,AFR-1013112A-15KB-P, AFR-1123906A/C-50H5A/65H6A/32H7A/80H8B-2G,AFR比例调节阀
PRV-010G,PRV-015G,PRV-020G,PRV-025G,PRV-032G,PRV-040G,PRV-050G,PRB-065G,PRV-080G,PRV-100G,冷凝压力调节阀
TRV30,TRV65,TRV90,温度式水量调节阀
CGL-03-A-10-12,CGL-03-A-10-E2-12,CGL-03-A-10-E2-Y-12,CGL-03-A-20-12,CGL低压用压力调节阀
RG-3F1-30-JA,RG-3F2-30-JA,RG-3F3-30-JA,RG-3F4-30-JA,RG(2)-3F直动型压力调节阀(板式安装型)
RG-03-X1-22-JA-S100-J,RG-03-X2-22-JA-S100-J,RG-03-X3-22-JA-S100-J,R(C)G直动型压力调节阀
取消
发送询价
分享好友
了解产品首页
频道列表
我要评论