返回
马达
首页
>
了解产品
>
油泵 齿轮泵 组合泵
>
液压马达/气动马达
>
马达
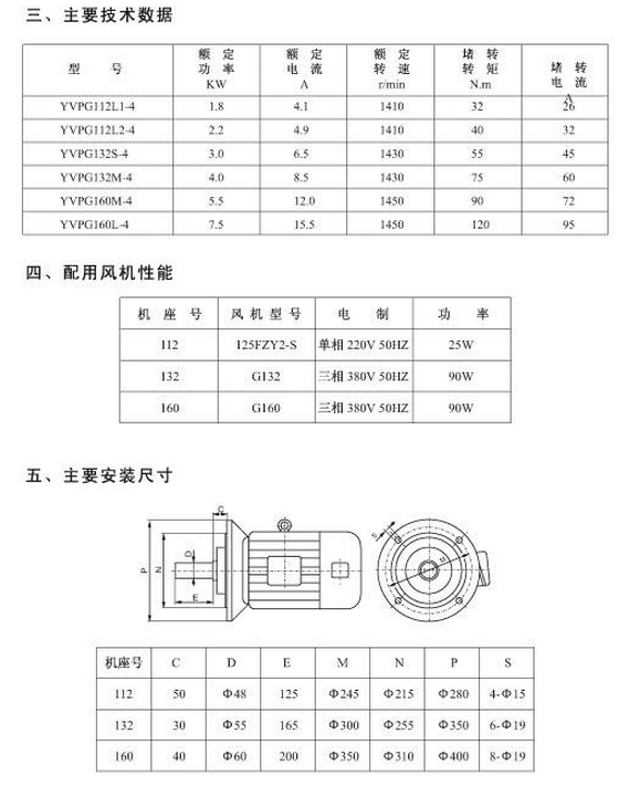
YVPG112L1-4,YVPG112L2-4,YVPG132M-4,YVPG160M-4,YVPG160L-4,YVPG132S-4,辊道用变频调速三相异步电动机
2016-01-02 17:36
859
信息概况
价格:
未填
型号:
YVPG112L1-4,YVPG112L2-4,YVPG132M-4,YVPG160M-4,YVPG160L-4,YVPG132S-4
发货:
3天内
发送询价
YVPG112L1-4,YVPG112L2-4,YVPG132M-4,YVPG160M-4,YVPG160L-4,YVPG132S-4,辊道用变频调速三相异步电动机
联系方式
姓名:销售员 1549(先生)
电话:
13861877712
传真:0510-82328771
地区:江苏-无锡市
地址:
无锡市会北路28-135
QQ:
2355802919
0
人关注
0
人点赞
举报
评分:
分
扫一扫访问当前网页
复制链接
二维码
短信
邮件
关闭
同类了解产品
BM4-490/390/500,BM4系列马达
BM3-100/125/160/200/250/315/400 BM3马达
HMR55/75/105/165/210 HMR马达
HMP50/63/80/100,HMP系列马达
HMM8/12.5/20/32/40/50,HMM系列马达
HMSJ-80/100/125/160/200/250/315/400/475.HMSJ系列马达
取消
发送询价
分享好友
了解产品首页
频道列表
我要评论