返回
阻尼器
首页
>
了解产品
>
执行元件 液压缸
>
缓冲器
>
阻尼器
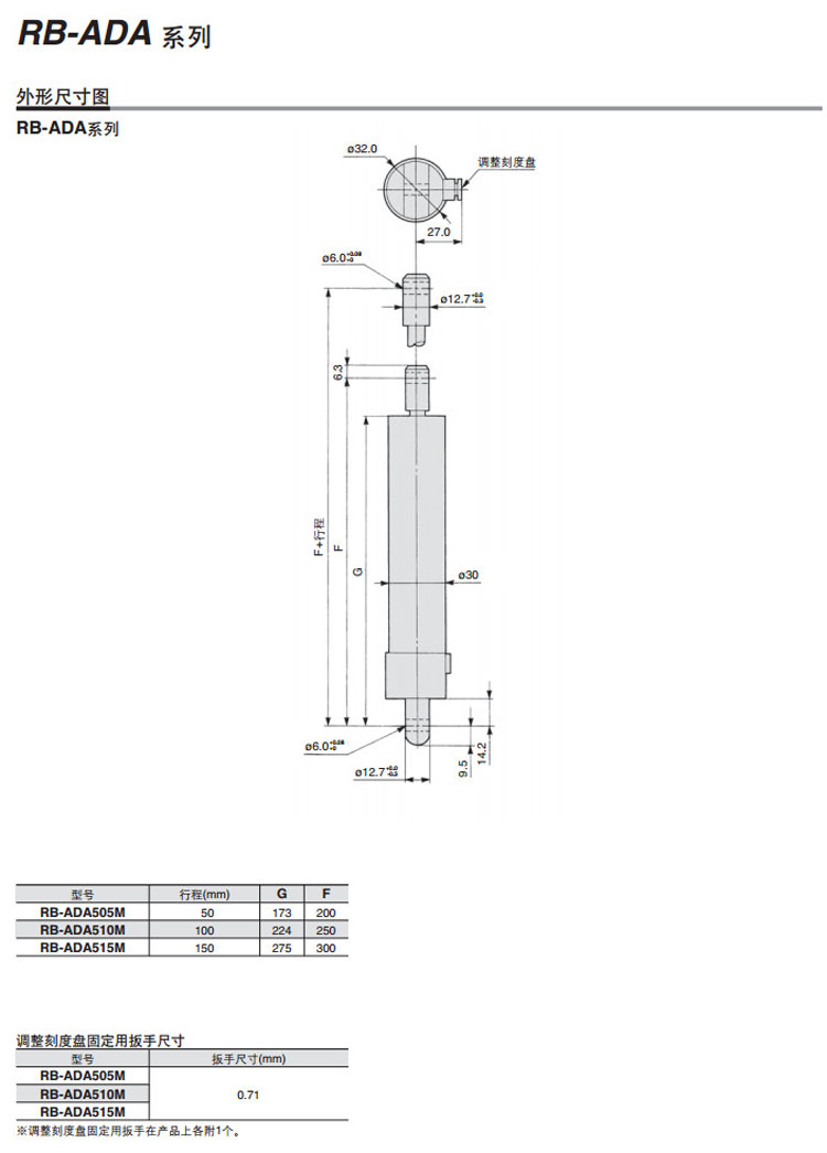
RB-ADA505M,RB-ADA510M,RB-ADA515M,SMC液压阻尼器
2016-01-02 10:16
1086
信息概况
价格:
未填
型号:
RB-ADA505M,RB-ADA510M,RB-ADA515M,
发货:
3天内
发送询价
RB-ADA505M,RB-ADA510M,RB-ADA515M,SMC液压阻尼器
联系方式
姓名:销售员1439(女士)
电话:
13861877712
传真:0510-82328771
地区:江苏-无锡市
地址:
无锡市会北路28-135
QQ:
2355802921
0
人关注
0
人点赞
举报
评分:
分
扫一扫访问当前网页
复制链接
二维码
短信
邮件
关闭
同类了解产品
橡胶减振垫 SD-41-6,SD-61-6,SD-81-6,SD-42-6,SD-62-6,SD-82-6,SD-43-6
阻尼弹簧吊式减振器 V-5,V-10,V-20,V-30,V-40,V-60,V-80,V-100,V-150,V-200,V-250,V-300,V-400,V-700,V-1000
阻尼弹簧吊式减振器 XDH-A-05,XDH-A-10,XDH-A-15,XDH-A-20,XDH-A-25,XDH-B-10
气垫式减振器 QXD-100,QXD-200,QXD-400,QXD-800,QXD-1200,QXD-1600,QXD-2000,QXD-2800
橡胶减振条 DSM71,DSM80,DSM90S,DSM90L,DSM100L,DSM112M,DSM132S,DSM132M
橡胶减振器RM-60,RM-90,RM-120,RM-240,RM-360,RM-480
取消
发送询价
分享好友
了解产品首页
频道列表
我要评论