返回
滑台气缸
首页
>
了解产品
>
执行元件 液压缸
>
其他气缸
>
滑台气缸
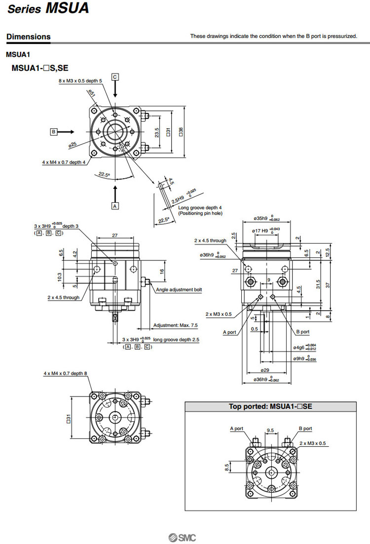
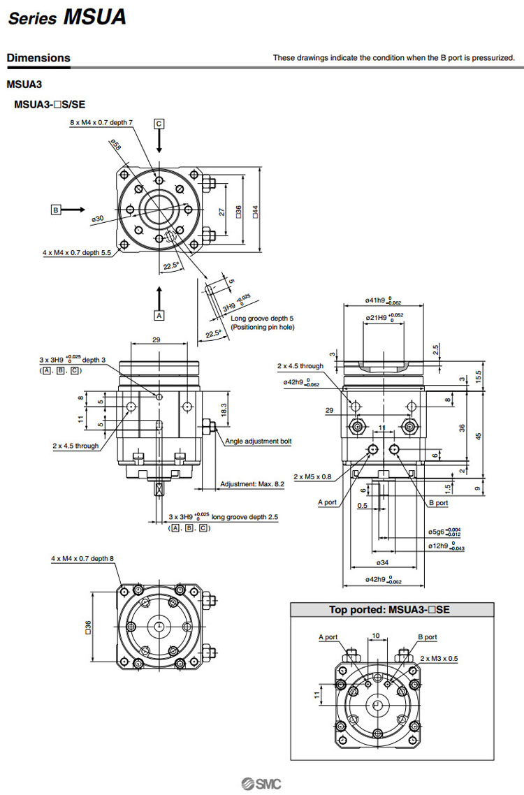
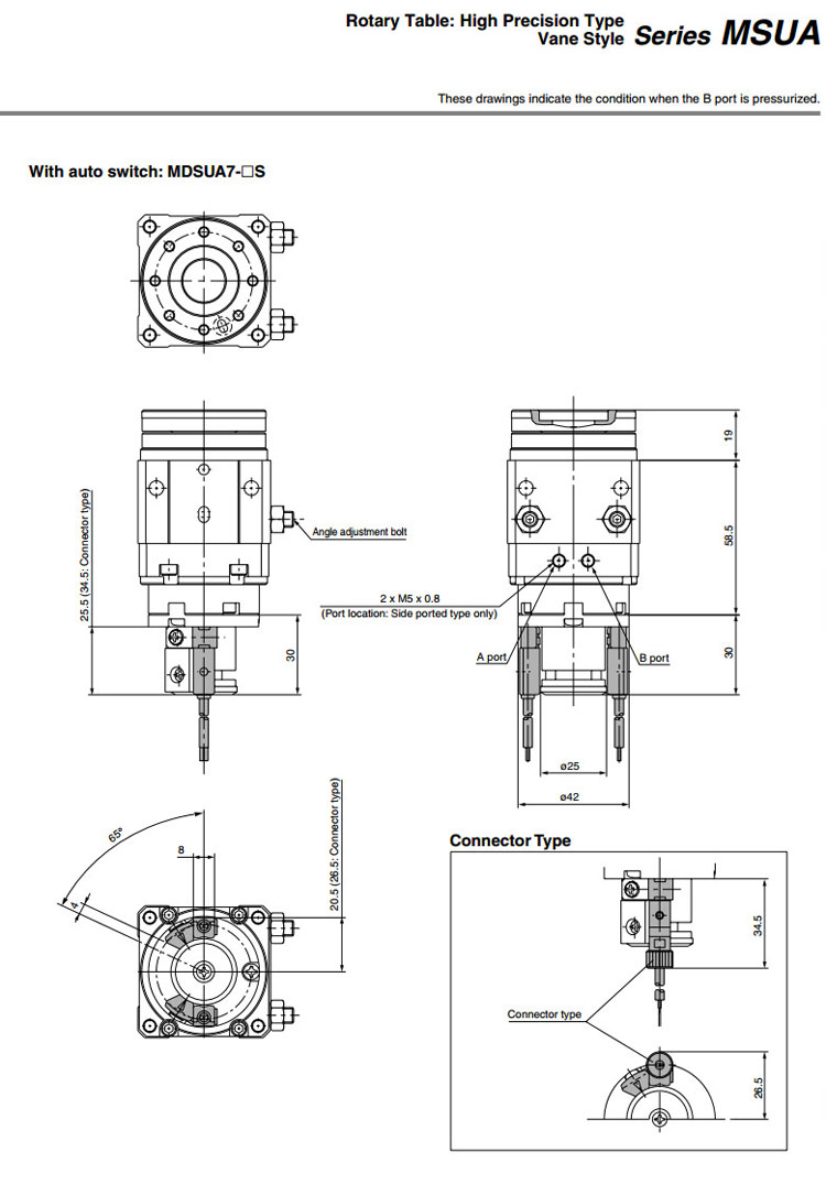
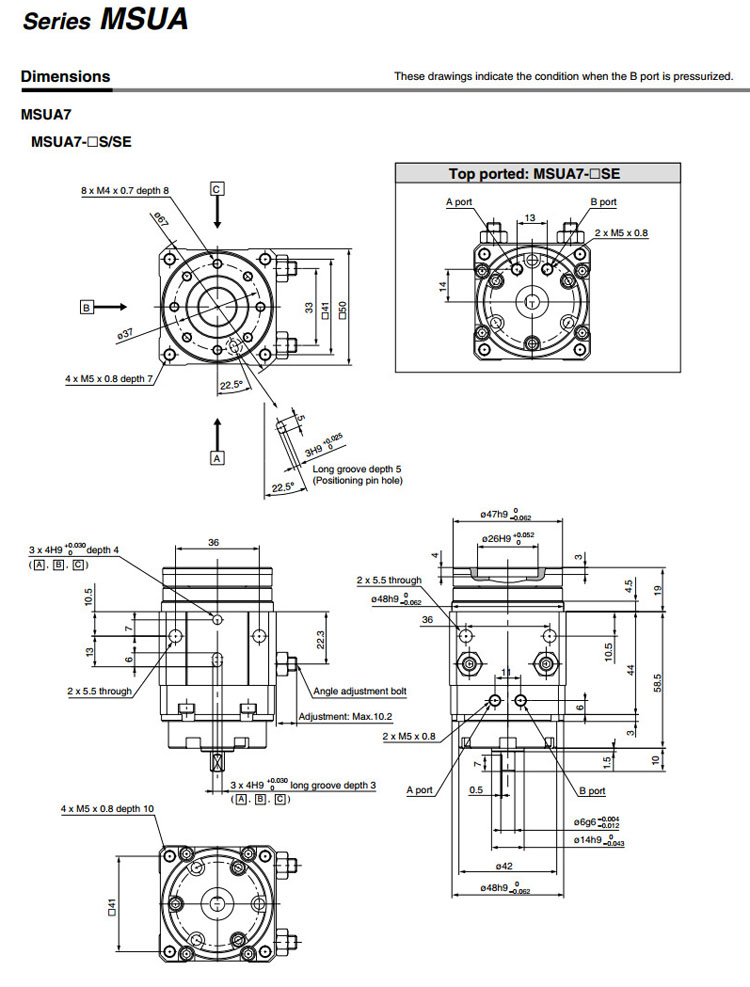
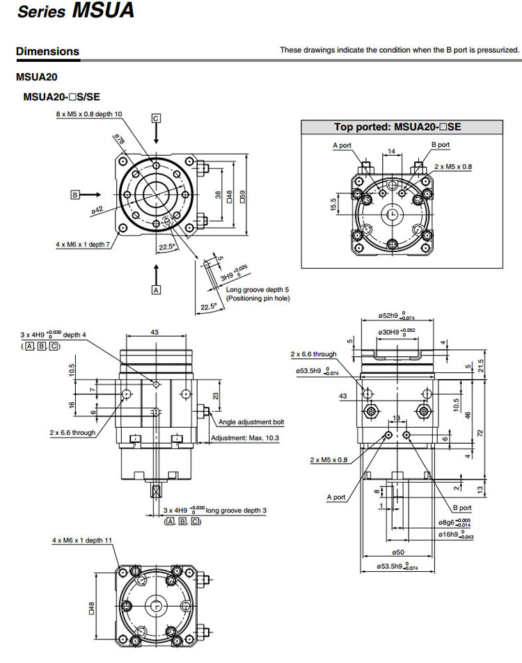
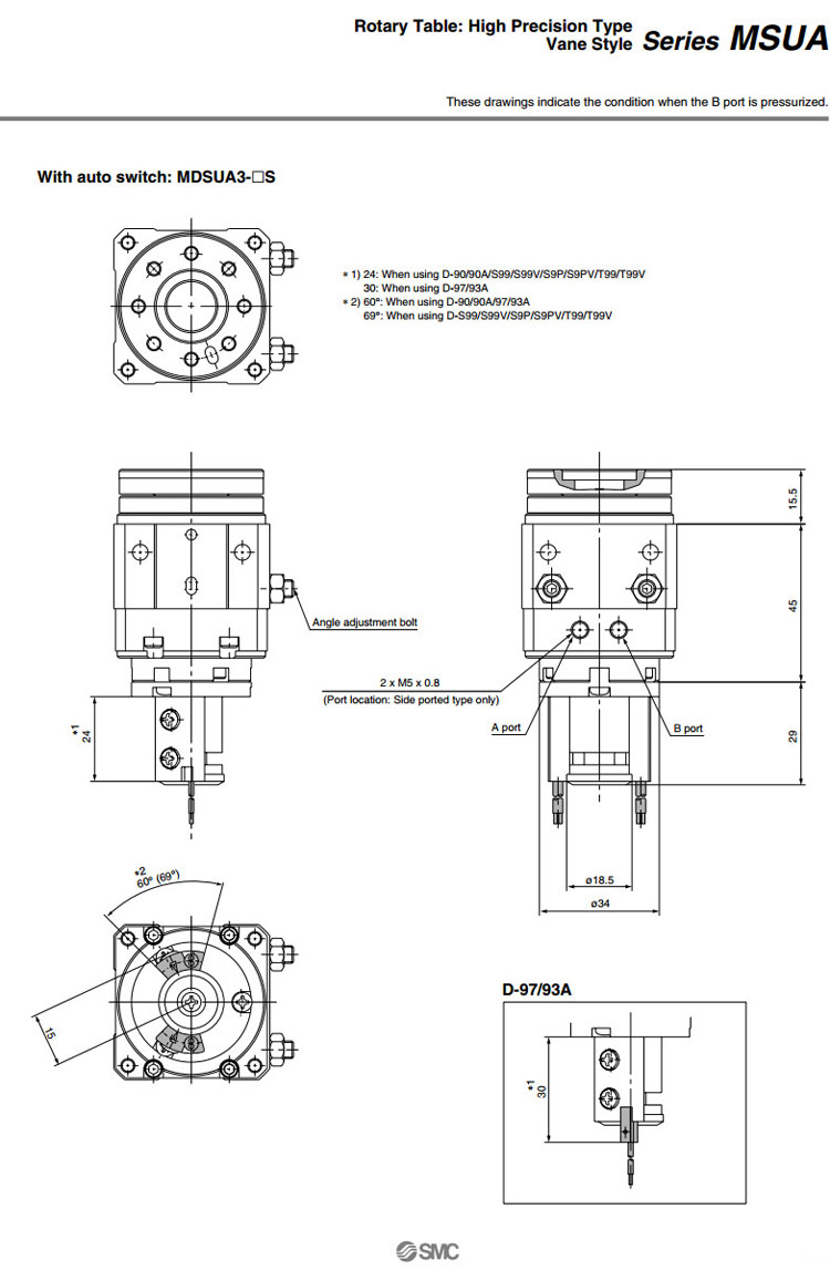
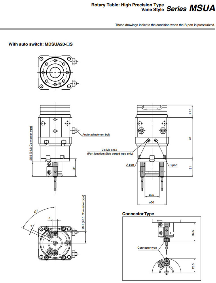
MSUA1-90,MSUA1-180,MSUA3-90,MSUA3-180,MSUA7-90,MSUA7-180,MSUA20-90,MSUA20-180,SMC摆台气缸
2016-01-01 20:40
492
信息概况
价格:
未填
型号:
MSUA1-90,MSUA1-180,MSUA3-90,MSUA3-180,MSUA7-90,MSUA7-180,MSUA20-90,MSUA20-180,SMC摆台气缸
发货:
3天内
发送询价
MSUA1-90,MSUA1-180,MSUA3-90,MSUA3-180,MSUA7-90,MSUA7-180,MSUA20-90,MSUA20-180,SMC摆台气缸
联系方式
姓名:销售员1439(女士)
电话:
13861877712
传真:0510-82328771
地区:江苏-无锡市
地址:
无锡市会北路28-135
QQ:
2355802921
0
人关注
0
人点赞
举报
评分:
分
扫一扫访问当前网页
复制链接
二维码
短信
邮件
关闭
同类了解产品
NHBDPGL-8,NHBDPGL-10,NHBDPGL-16,NHBDPGL-20,气动手指
AWS6*25,AWS6*50,AWS10*50,AWS10*75,AWS10*100,AWS16*50,AWS16*75,WS滑台
AWT16*50,AWT16*100,AWT16*150,AWT16*200,AWT20*50,AWT20*100,AWT20*150,AWT20*200,WT滑台
ARTB16*200,ARTB16*250,ARTB16*300,ARTB16*350,ARTB16*400,ARTB16*450,RT滑台
AMT10*200,AMT10*250,AMT10*300,AMT10*350,AMT10*400,AMT10*450,AMT10*500,MT滑台
AGTB10*15,AGTB10*30,AGTB10*45,AGTB10*60,AGTB10*75,AGTB10*90,GT滑台B型
取消
发送询价
分享好友
了解产品首页
频道列表
我要评论