返回
轴向柱塞泵
首页
>
了解产品
>
油泵 齿轮泵 组合泵
>
柱塞泵及泵组
>
轴向柱塞泵
F5V140DTP,斜盘式轴向柱塞泵
2016-01-01 14:03
769
信息概况
价格:
未填
型号:
F5V140DTP,斜盘式轴向柱塞泵
发货:
3天内
发送询价
F5V140DTP,斜盘式轴向柱塞泵
产品参数
型号
排量
(cc/rev)
额定压力
(Mpa)
最大压力
(Mpa)
最大转速
(rpm)
重量
(Kg)
应用
(ton)
F5V140DTP
140x2
34.3
39.2
2160
143
30-35
15
3.9
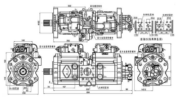
安装尺寸图
联系方式
姓名:销售员1613(先生)
电话:
13861877712
传真:0510-82328771
地区:江苏-无锡市
地址:
无锡市会北路28-135
QQ:
2355802919
0
人关注
0
人点赞
举报
评分:
分
扫一扫访问当前网页
复制链接
二维码
短信
邮件
关闭
同类了解产品
HPV-6B35,CONTINENTAL轴向柱塞泵
HPV-10B35,CONTINENTAL轴向柱塞泵
HPV-15B35,CONTINENTAL轴向柱塞泵
HPV-20B35,CONTINENTAL轴向柱塞泵
AP2VO71CLN,液压轴向柱塞泵
AP3VO95CDLN,液压轴向柱塞泵
取消
发送询价
分享好友
了解产品首页
频道列表
我要评论