返回
行走马达
首页
>
了解产品
>
油泵 齿轮泵 组合泵
>
液压马达/气动马达
>
行走马达
FTM09VC-47/27-1,FTM09VC-53/34-2,FTM09VC-53/34-3,行走马达
2016-01-01 11:28
1022
信息概况
价格:
未填
型号:
FTM09VC-47/27-1,FTM09VC-53/34-2,FTM09VC-53/34-3,行走马达
发货:
3天内
发送询价
FTM09VC-47/27-1,FTM09VC-53/34-2,FTM09VC-53/34-3,行走马达
产品参数
型号
排量
(cc/rev)
工作压力
(Mpa)
制动扭矩
(Kgf•m)
应用
(ton)
FTM09VC-47/27-1
47/27
27.4
8.4
6-8
传动比
(i)
理论输出扭矩
(Kgf•m)
输出转速
(rpm)
重量
(Kg)
53.7
1116/658
33/56
87
型号
排量
(cc/rev)
工作压力
(Mpa)
制动扭矩
(Kgf•m)
应用
(ton)
FTM09VC-53/34-2
FTM09VC-53/34-3
53/34
27.4
8.4
6-8
传动比
(i)
理论输出扭矩
(Kgf•m)
输出转速
(rpm)
重量
(Kg)
53.7
1195/705
31/50
87
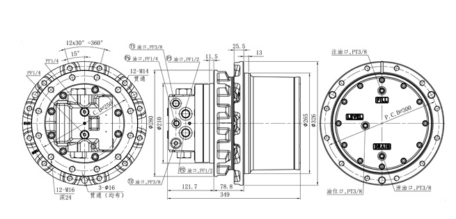
安装尺寸图
联系方式
姓名:销售员1613(先生)
电话:
13861877712
传真:0510-82328771
地区:江苏-无锡市
地址:
无锡市会北路28-135
QQ:
2355802919
0
人关注
0
人点赞
举报
评分:
分
扫一扫访问当前网页
复制链接
二维码
短信
邮件
关闭
同类了解产品
LTM07,行走马达
LTM09,LTM09B,LTM09C,行走马达
LTM04,行走马达
LTM05,行走马达
LTM06,LTM06C,LTM06k,LTM06N,行走马达
LTM10,行走马达
取消
发送询价
分享好友
了解产品首页
频道列表
我要评论