返回
回转马达
首页
>
了解产品
>
油泵 齿轮泵 组合泵
>
液压马达/气动马达
>
回转马达
FSM220,回转马达
2016-01-01 11:09
874
信息概况
价格:
未填
型号:
FSM220,回转马达
发货:
3天内
发送询价
FSM220,回转马达
产品参数
型号
排量
(cc/rev)
最大压力
(Mpa)
制动扭矩
(Kgf•m)
应用
(ton)
FSM220
129.4
28.5
63
18-25
传动比
(i)
理论输出扭矩
(Kgf•m)
输出转速
(rpm)
重量
(Kg)
19.6
1120
83
246
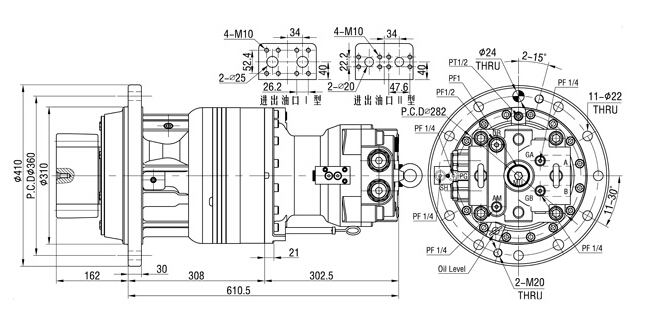
安装尺寸图
联系方式
姓名:销售员1613(先生)
电话:
13861877712
传真:0510-82328771
地区:江苏-无锡市
地址:
无锡市会北路28-135
QQ:
2355802919
0
人关注
0
人点赞
举报
评分:
分
扫一扫访问当前网页
复制链接
二维码
短信
邮件
关闭
同类了解产品
HZ05/0,HZS05/0,HZ08/0,HZS08/0,HZ11/2,HZ180/0,HZS180/0,HZ25/0,HZ35,液压回转马达
FSM60,回转马达
PCR-1B,PCR-2B,PCR-3B,PCR-4B,PCR-5B,NACHI回转马达
取消
发送询价
分享好友
了解产品首页
频道列表
我要评论