JK-100,JK-150,JK-200,JK-300,JK-400,JK-630,JK-800,扩散泵机组
一、扩散泵机组特点及用途:
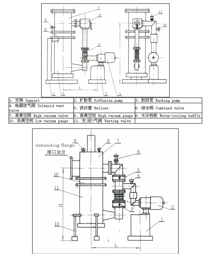
JKT、JK系列油扩散真空泵机组是用来获得高真空(10-2—10-5Pa)的主要设备。它以油扩散泵为主泵和阀门、水冷挡板、管道、机械真空泵(前级泵)等组成高真空抽气系统,可获得(10-2—10-4Pa)的工作真空度。
扩散泵机组的特点是抽气能力大,抽速从190L/S至49000L/S范围内可供选择;并可长时间稳定连续工作。它被广泛地应用在电子、化工、冶金、航空、航天、材料、生物医药、原子能、宇宙探测等高科技领域。如各种真空炉、真空镀膜设备、真空冷冻干燥设备等。典型真空机组是用气动阀门程序控制。如需其他驱动方法,请在订货时注明。

|
1、前级泵Backing pump
|
2、电磁放气阀Solenoid vent valve
|
3、低真空阀Low vacuum valve
|
|
4、测量接头 Measurement connector
|
5、阀门 Valve
|
6、放气阀Venting valve
|
|
7、高真空阀High vacuum valve
|
8、测量接头Measurement connector
|
9、测量接头Measurement connector
|
|
10、水冷挡板Water-cooling baffle
|
11、扩散泵Diffusion pump
|
12、支架Support
|
二、扩散泵机组的参数:
| 型号 Model |
JK-100 |
JK-150 |
JK-200 |
JK-300 |
JK-400 |
JK-630 |
JK-800 |
| 极限压力(Pa) Ultimate Pressure |
10-4 |
| 抽气速率(1/S) Pumping speed |
100 |
280 |
420 |
900 |
1800 |
4000 |
6500 |
| 最大排气压力(Pa) Max. pumping pressure |
35 |
| 加热功率(Kw) Heating power |
0.8 |
1 |
1.5 |
2.1 |
4.8 |
8.4 |
19.8 |
| 配用主泵 Matched main pump |
K-100 |
K-150 |
K-200 |
K-300 |
K-400 |
K-630 |
K-800 |
| 配用挡板 Matched baffle |
LB-100 |
LB-150A |
LB-200B |
LB-300A |
LB-400 |
LB-630 |
LB-800 |
| 配用阀门 Matched valve |
GD-100 |
GD-150 |
GD-200 |
GDQ-300 |
GDQ-400 |
GDQ-630 |
GDQ-800 |
| 配用前级泵 Matched backing pump |
2X-4 |
2X-8 |
2X-8 |
2X-15 |
2X-30 |
2X-70 |
2X-70 ZJ-600 |
| 接口法兰 Connecting flange |
LF-100 |
LF-150 |
LF-200 |
LF-300 |
LF-400 |
LF-630 |
LF-800 |
| 结构尺寸(mm) Structure dimensions |
H |
870 |
950 |
1000 |
1300 |
1600 |
2000 |
2400 |
| L |
550 |
650 |
750 |
850 |
950 |
1100 |
2000 |
|
1、前级泵Backing pump
|
2、电磁放气阀Solenoid vent valve
|
3、低真空阀Low vacuum valve
|
|
4、测量接头 Measurement connector
|
5、阀门 Valve
|
6、放气阀Venting valve
|
|
7、高真空阀High vacuum valve
|
8、测量接头Measurement connector
|
9、测量接头Measurement connector
|
|
10、水冷挡板Water-cooling baffle
|
11、扩散泵Diffusion pump
|
12、支架Support
|
| 型号 Model |
JTK-100 |
JTK-150 |
JTK-200 |
JTK-300 |
JTK-400 |
JTK-500 |
| 极限压力(Pa) Ultimate Pressure |
10-4 |
| 抽气速率(1/S) Pumping speed |
180 |
370 |
600 |
1400 |
2500 |
4000 |
| 最大排气压力(Pa) Max. pumping pressure |
35 |
| 加热功率(Kw) Heating power |
0.8 |
1.2 |
1.5 |
2.4 |
4.5 |
6 |
| 配用主泵 Matched main pump |
TK-100 |
TK-150 |
TK-200 |
TK-300 |
TK-400 |
TK-500 |
| 配用挡板 Matched baffle |
LB-100 |
LB-150A |
LB-200B |
LB-300A |
LB-400 |
LB-500 |
| 配用阀门 Matched valve |
GD-100 |
GD-150 |
GD-200 |
GDQ-300 |
GDQ-400 |
GDQ-500 |
| 配用前级泵 Matched backing pump |
2X-4 |
2X-8 |
2X-15 |
2X-30 |
2X-70 |
2X-70 ZJ-600 |
| 接口法兰Connecting flange |
LF-100 |
LF-150 |
LF-200 |
LF-300 |
LF-400 |
LF-500 |
| 结构尺寸(mm) Structure dimensions |
H |
870 |
950 |
1000 |
1300 |
1600 |
1700 |
| L |
650 |
750 |
850 |
950 |
1150 |
1500 |