返回
手动换向阀
首页
>
了解产品
>
液压元件 液压阀
>
方向控制阀
>
手动换向阀
,Bucher整体式方向控制阀
2015-12-30 20:24
630
信息概况
价格:
未填
型号:
HDM140
发货:
3天内
发送询价
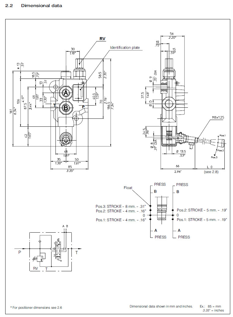
HDM140,Bucher整体式方向控制阀
联系方式
姓名:销售员 1579(先生)
电话:
13861877712
传真:0510-82328771
地区:江苏-无锡市
地址:
无锡市会北路28-135
QQ:
2355802919
0
人关注
0
人点赞
举报
评分:
分
扫一扫访问当前网页
复制链接
二维码
短信
邮件
关闭
同类了解产品
4WEMM6D61B/CG24N9Z5L,4WEMM10D31B/CG24N9Z5L,4WEMM6G61B/CW220+YF08+LL265+2手动电磁换向阀
管道手拉式换向阀F23R5-L6,F23R5-L8,F23R5-L10,F23R5-L5
二位五通手动换向阀 DF25R5-L4,DF25R5-L6,DF25R5-L8a,DF25R5-L8,DF25R5-L10
二位三通手动换向阀 DF23R5-L4,DF23R5-L6,DF23R5-L8a,DF23R5-L8,DF23R5-L10
C-552-E-JA-J,C-552-E-NS-JA-J,C-552-K-JA-J,C-552-K-NS-JA-J,C-552/C-572机械/手动操作换向阀
DG1M2-40A-30-JA,DG1M2-40A-T-30-JA,DG1M2-41A-30-JA,DG1M2-42A-30-JA,DG/T*M2机械/手动操作换向阀
取消
发送询价
分享好友
了解产品首页
频道列表
我要评论