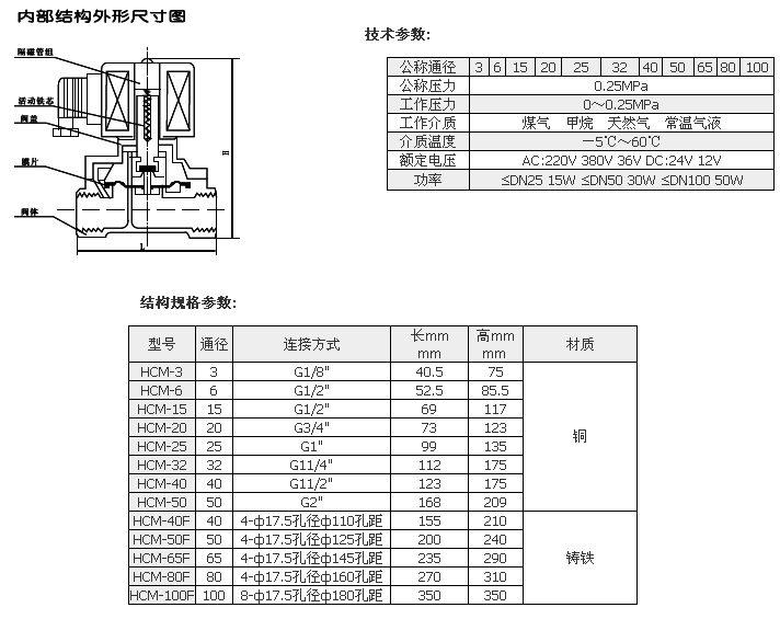
HCM-3,HCM-6,HCM-15,HCM-20,HCM-32,HCM-40,HCM-50,零压差机煤气HCM-25,HCM-40F,HCM-50F,HCM-65F,HCM-80F,HCM-100F,
产品用途对煤气、天然气等燃烧介质在管路中的自动控制。也可以对低压的其它流体进行控制。
结构特点一次性和二次开阀相联系的开阀结构,低压力,无压力开启关闭,流量大。采用高性能密封件,无泄漏。配管方式最好是水平安装,线圈向上。
φ25以下规格可配防爆防爆合格证号:GYB03616X引用标准:GB3836.9 防爆标志 Exm1/11T4