返回
分配器
首页
>
了解产品
>
稀油润滑系统设备
>
干油润滑部分
>
分配器
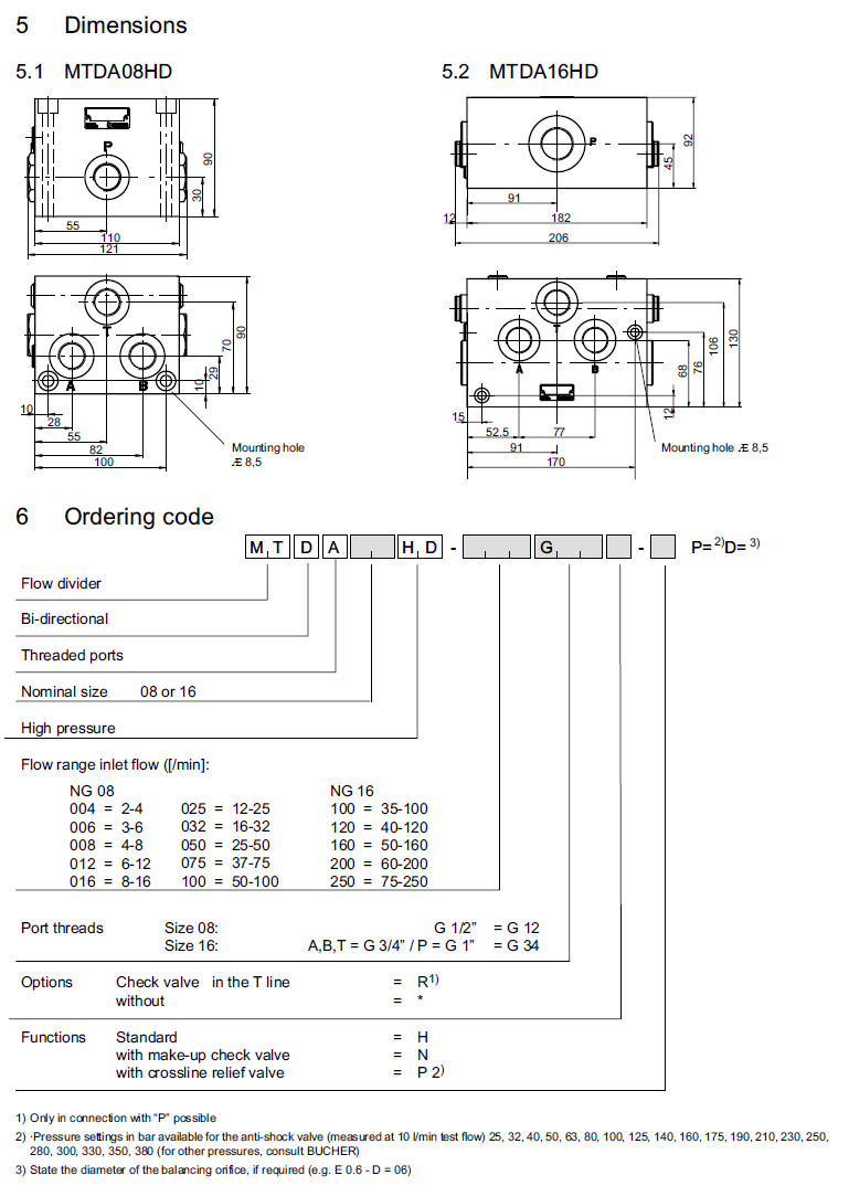
MTDA08HD-004G12,MTDA08HD-032G12,MTDA16HD-250G34,MTDA16HD-100G34,Bucher流量分配器
2015-12-28 20:23
880
信息概况
价格:
未填
型号:
MTDA08HD-004G12,MTDA08HD-032G12,MTDA16HD-250G34,MTDA16HD-100G34
发货:
3天内
发送询价
MTDA08HD-004G12,MTDA08HD-032G12,MTDA16HD-250G34,MTDA16HD-100G34,Bucher流量分配器
MTDA08HD-006G12,MTDA08HD-008G12,MTDA08HD-012G12,MTDA08HD-016G12,
MTDA08HD-025G12,MTDA08HD-050G12,MTDA08HD-075G12,MTDA08HD-100G12,
MTDA16HD-120G34,MTDA16HD-160G34,MTDA16HD-200G34,
联系方式
姓名:销售员 1579(先生)
电话:
13861877712
传真:0510-82328771
地区:江苏-无锡市
地址:
无锡市会北路28-135
QQ:
2355802919
0
人关注
0
人点赞
举报
评分:
分
扫一扫访问当前网页
复制链接
二维码
短信
邮件
关闭
同类了解产品
TH-2-8,TH-2-10,TH-3-8,TH-3-10,TH-4-8,TH-4-10,TH-5-8,TH-5-10,TH-6-8,TH-6-10,TH-7-8,TH-7-10,TH-8-8,TH-8-10,TH-10-8,TH-10-10,油量联接体分配器
DZ-03,DZ-03G,DZ-05,DZ-05G,DZ-10,DZ-10G,DZ-20,DZ-20G,DZ-30,DZ-30G,DZ-40,DZ-40G,DZ-50,DZ-50G,单只容积式分配器
KT-2-8,KT-3-8,KT-4-8,KT-5-8,KT-6-8,KT-7-8,KT-8-8,KT-9-8,KT-10-8,KT-12-8,可调抵抗式分配器
GD-2-8,GD-3-8,GD-4-8,GD-5-8,GD-6-8,GD-7-8,GD-8-8,GD-10-8,多通分油块
KR-PR,KR-PR11,KR-PR12,KR-PR22信号隔离分配器
DIN12-IPO-U2-P1-A4,DIN12-IPO-U7-P2-U7,一路输入两路输出模拟信号隔离分配器
取消
发送询价
分享好友
了解产品首页
频道列表
我要评论