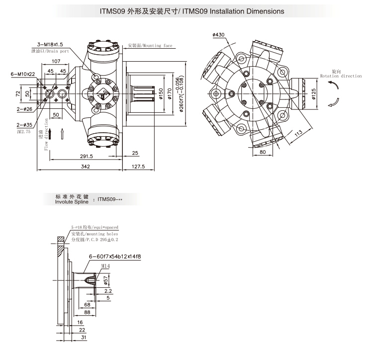
ITMS09-630,ITMS09-800,ITMS09-900,ITMS09-1000,ITMS09-1250,液压马达
产品特点:
ITMS系列液压马达是在原有ITM系列和STF系列基础上,综合其两款的优势而开发出来具有高启动效率、高综合性能的新型液压马达。其主要性能特点如下:
1、取消柱塞套结构,壳体与柱塞缸孔一体化,具有较高的功率质量比;
2、柱塞与连杆球头采用静压油膜型式,提高接触比压,提高机械效率;
3、柱塞体采用特殊的表面处理,保证了结构的永久性和低摩擦系数的密封件型式,提高了容积效率和机械效率;
4、马达采用特殊滚柱传力型式,提高了启动效率和运行速度;
5、马达的主要传动件采用特殊材料和先进的热处理工艺,提高了整体使用寿命;
6、该系列马达的安装尺寸与ITM系列保持一致,是ITM系列马达往高压、高端发展一款重要产品。
技术参数
| 型号 |
理论排量 |
压力(Mpa) |
扭矩(N.m) |
最大功率 |
重量 |
最高转速 |
| (ml/r) |
额定压力 |
尖峰压力 |
额定扭矩 |
单位扭矩 |
(Kw) |
(Kg) |
(r/min) |
| |
(N.m/Mpa) |
|
|
|
| ITMS09-630 |
630 |
22 |
27.5 |
1983 |
90 |
41 |
95 |
280 |
| ITMS09-800 |
779 |
22 |
27.5 |
2452 |
111 |
50 |
280 |
| ITMS09-900 |
904 |
20 |
25 |
2587 |
129 |
47 |
250 |
| ITMS09-1000 |
1038 |
18 |
22 |
2674 |
149 |
45 |
250 |
| ITMS09-1250 |
1240 |
16 |
20 |
2839 |
177 |
39 |
200 |
外形尺寸
