返回
液压马达
首页
>
了解产品
>
油泵 齿轮泵 组合泵
>
液压马达/气动马达
>
液压马达
STFC400-5500,STFC400-6000,STFC400-6500,STFC400-6800,液压马达
2015-12-27 15:00
702
信息概况
价格:
未填
型号:
STFC400-5500,STFC400-6000,STFC400-6500,STFC400-6800,液压马达
发货:
3天内
发送询价
STFC400-5500,STFC400-6000,STFC400-6500,STFC400-6800,液压马达
产品特点:
STFC系列液压马达是我公司研发并经过多年、多行业、多场合下市场应用并验证的一款新型液压马达。该马达在吸取了国外曲轴连杆柱塞液压马达静压平衡优点的基础上,
经过不断试验、改进、并逐步提高、改良而定型。该马达壳体强度提高、内部动态运动零件承载力大。其主要特点如下:
1)由于柱塞、连杆、偏心套设计成静压平衡,减少了连杆与偏心套的摩擦力及柱塞体的侧向力,提高了球铰副的接触比压,具有高的机械效率及高的起动扭矩;
2)采用静压平衡技术的轴配流器,防止了配流器的倾斜,密封性能好,泄漏少,可在高压(最高压力可达29MPa)下进行连续工作;
3)密封环采用特殊材料及结构,减少了泄漏,提高了容积效率;
4)马达的主要传动件采用特殊材料和先进的热处理工艺,提高了整体使用寿命;
5)该系列马达的外形及安装尺寸与原装Staffa基本相同,性能参数与原装Staffa相近,是替代进口Staffa马达的理想选择。
由于STFC系列液压马达具有上述一系列特点,因而可广泛应用于塑料机械、船舶甲板机械、矿山建筑工程机械、起重运输设备、重型冶金机械、石油煤矿机械、机床、轻工设备、钻机等各种机械的液压传动系统中,特别适用了注塑机的螺杆驱动、提升绞盘、卷筒的驱动、各种回转机械的驱动等传动机械中。
技术参数
型号
理论排量
压力(Mpa)
扭矩(N.m)
最大功率
重量
最高转速
(ml/r)
额定压力
尖峰压力
额定扭矩
单位扭矩
(Kw)
(Kg)
(r/min)
(N.m/Mpa)
STFC400-5500
5510
23
29
18135
788
175
495
120
STFC400-6000
5996
23
29
19735
858
175
120
STFC400-6500
6483
23
29
21337
928
175
120
STFC400-6800
6807
23
29
22404
974
175
120
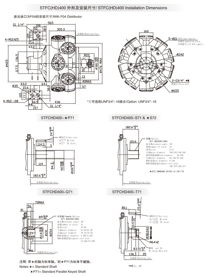
外形尺寸
联系方式
姓名:销售员1577(女士)
电话:
13861877712
传真:0510-82328771
地区:江苏-无锡市
地址:
无锡市会北路28-135
QQ:
2355802919
0
人关注
0
人点赞
举报
评分:
分
扫一扫访问当前网页
复制链接
二维码
短信
邮件
关闭
同类了解产品
BMM系列轴配液压马达 BMM-8/12.5/20/32/40/50
SX504BM,SX505BM,HMKB046,HMB270,HDB270,HMHDB400,SB504,HMKC046,HMC270,Kawasaki径向柱塞液压马达
液压马达BM-C80,BM-C100,BM-C125,BM-C160,BM-C200,BM-C250,BM-C315
JM11-E0.16,JM11-E0.2,曲轴连杆式径向柱塞液压马达
JM11-F0.25F1,JM11-F0.45F1,JM11-F0.5F1,JM11-E0.56F1,JM11-E0.63F1,曲轴连杆式径向柱塞液压马达
JM12-FO.63F1,JM12-FO.8F1,JM12-FO.9F1,JM12-E1.25F2,JM12N-E1.2F2,曲轴连杆式径向柱塞液压马达
取消
发送询价
分享好友
了解产品首页
频道列表
我要评论