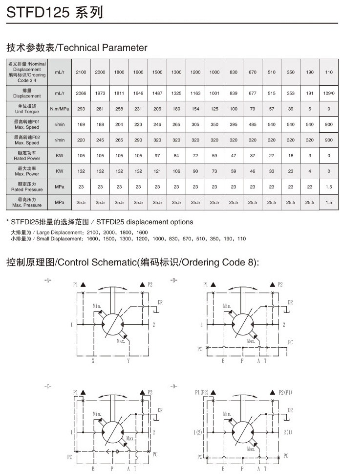
STFD1200-2100,STFD1200-2000,STFD1200-1800,STFD1200-1600,STFD1200-1500,STFD1200-1300,STFD1200-1200,双速马达
STFD1200-1000,STFD1200-830,STFD1200-670,STFD1200-510,STFD1200-350,STFD1200-190,STFD1200-110,
产品特点:
STFD系列液压马达是双排量低速大扭矩液压马达,继承了 STFC系列静压平衡的优点,具有同STFC系列同样的高效率、高启动扭矩、高容积效率等。
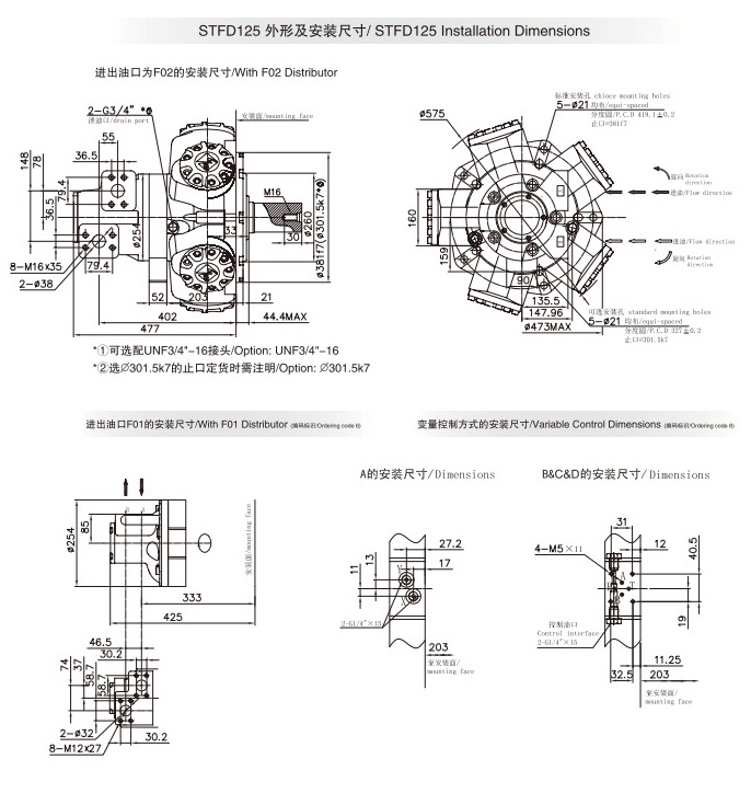
STFD系列液压马达具有双排量功能,可以从较宽范围的排量中选择适合于特殊应用需求的排量。可以通过远程控制或手动切换安装在马达上的方向控制阀来实现排量的切换,并且可以在马达运转中简单和轻松的实现。其主要特点如下:
1、 低速大扭矩
2、 高效率
3、 运转平稳
4、 宽排量范围可供选择
5、 可在运转时进行排量切换
6、 电液或机械控制排量切换
主要应用于起锚机、起重、卷扬机械及车辆的液压驱动等。


