返回
马达
首页
>
了解产品
>
油泵 齿轮泵 组合泵
>
液压马达/气动马达
>
马达
CRM-HA70-40,CRM-HA70-50,CRM-HA70-60,CRM-HA70-70,内曲线马达
2015-12-27 14:42
725
信息概况
价格:
未填
型号:
CRM-HA70-40,CRM-HA70-50,CRM-HA70-60,CRM-HA70-70,内曲线马达
发货:
3天内
发送询价
CRM-HA70-40,CRM-HA70-50,CRM-HA70-60,CRM-HA70-70,内曲线马达
CRM内曲线马达特点:
CRM系列液压马达是我司针对高端市场所开发的新产品。此产品能在各种恶劣工况下稳定工作,能满足大多数场合下对液压马达的高工作压力、大扭矩输出及低速稳定性等要求。在结构上,这款马达采用端面配流,径向柱塞内曲线形式,利用马达转子中空优势,能方便的根据用户要求配置制动器、测速器,及通过马达中孔的特殊设备,大大减小用户对工作主机结构设计的难度。
1)抗冲击能力强,稳定性好;
2)可实现安全平稳的变量及停车制动;
3)能实现自由轮工况;
4)多种安装方式及中空轴设计;
5)大输出扭矩、宽转速范围,可直接替代高速马达加减速机装置,结构紧凑(体积小);
6)具有良好的低速稳定性,能在很低的转速下平稳运转;
7)具有较高的机械效率和容积效率;
8)旋转方向可逆;
9)功率质量比高;
技术参数:
型号
理论排量
压力(Mpa)
扭矩(N.m)
最大功率
重量
最高转速
(ml/r)
额定压力
尖峰压力
额定扭矩
单位扭矩
(Kw)
(Kg)
(r/min)
(N.m/Mpa)
HA70-40
2512
25
31.5
10000
400
448
205
340
HA70-50
3140
25
31.5
12500
500
448
272
HA70-60
3771
25
31.5
15000
600
463
234
HA70-70
4400
25
31.5
17500
700
471
204
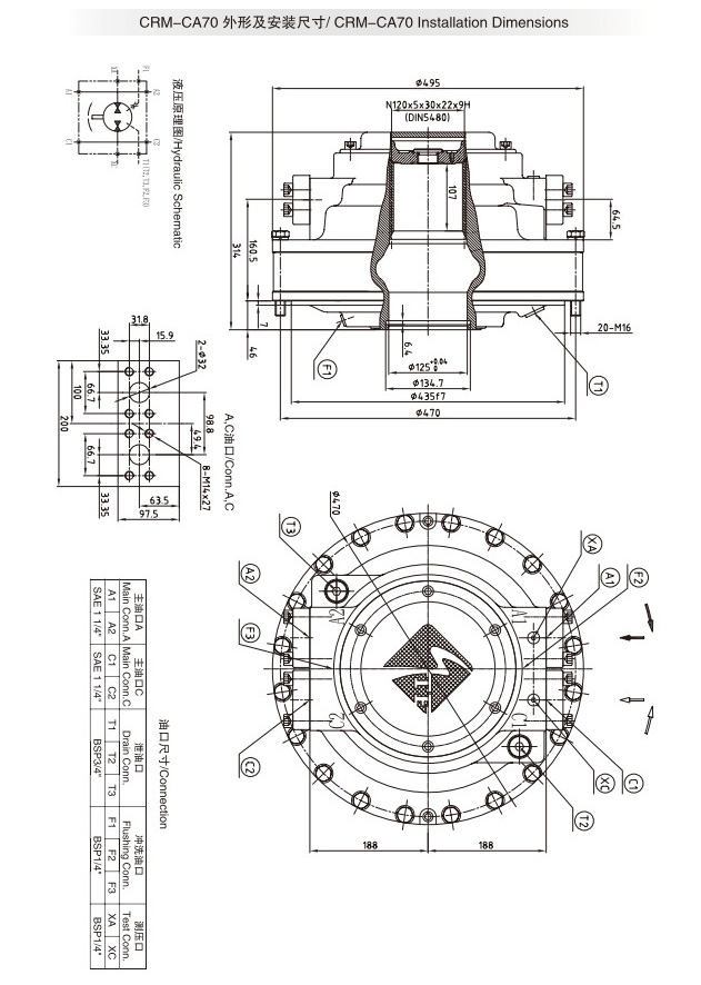
外形尺寸
:
联系方式
姓名:销售员1577(女士)
电话:
13861877712
传真:0510-82328771
地区:江苏-无锡市
地址:
无锡市会北路28-135
QQ:
2355802919
0
人关注
0
人点赞
举报
评分:
分
扫一扫访问当前网页
复制链接
二维码
短信
邮件
关闭
同类了解产品
BM4-490/390/500,BM4系列马达
BM3-100/125/160/200/250/315/400 BM3马达
HMR55/75/105/165/210 HMR马达
HMP50/63/80/100,HMP系列马达
HMM8/12.5/20/32/40/50,HMM系列马达
HMSJ-80/100/125/160/200/250/315/400/475.HMSJ系列马达
取消
发送询价
分享好友
了解产品首页
频道列表
我要评论