GDUB50,GDUB65,GDUB80,GDUB100,P-GDUB125,P-GDUB150,P-GDUB200,气动硬密封蝶阀
|
P-GDUB气动法对夹硬密封蝶阀
|
|
技术参数
|
|
气缸选配
|
P系列
|
|
气缸形式
|
双作用、单作用
|
|
环境温度
|
-20℃~+80℃
|
|
气源压力
|
双作用4~8bar、单作用5~8bar
|
|
附件选项
|
|
回讯器
|
也叫限位开关,远程反馈开关信号
|
|
电磁阀
|
双作用选二位五通、单作用选二位三通
|
|
三联件
|
可对气源稳压、过滤、气缸加润滑油
|
|
电气定位器
|
输入4~20mA信号,实现球阀调节功能
|
|
备注:气缸参数请另参考所选配的气动执行器资料。
|
|
标准规范
|
|
* 法兰标准:GB9113、GB9113、GB9115
|
|
* 检测与试验:GB/T13927-1992、B/T 9092-1999
|
|
* 设计标准:JB-T 8527-1997
|
|
* 结构长度:GB/T 12221
|
|
阀体参数
|
|
公称压力
|
PN10、PN16、PN25
|
|
连接方式
|
法兰 JB、GB(特选ANSI、JIS)
|
|
阀体材质
|
WCB、SS304、SS316、SS316L
|
|
碟板材质
|
WCB、SS304、SS316、SS316L
|
|
密封材料
|
Y(多层或混合硬密封)、S(不锈钢金属密封)
|
|
工作温度
|
T6: -30℃~250℃(Y)
T7: -30℃~350℃(S)
T8: -40℃~400℃(S)
T9: -40℃~450℃(S)
|

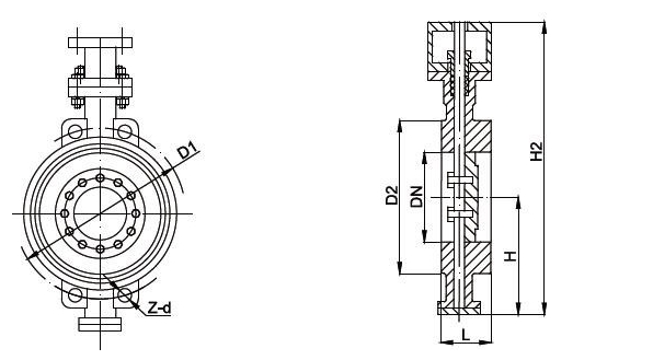
阀体尺寸
|
公称压力(Mpa)
|
型号规格
|
DN
|
L
|
H
|
H2
|
D1
|
D2
|
z-d
|
P-气动头
|
E-电动头
|
|
PN16
WCB、304、316
|
GDUB50
|
50
|
43
|
112
|
655
|
125
|
102
|
4-18
|
P075D
|
E06
|
|
GDUB65
|
65
|
46
|
115
|
665
|
145
|
122
|
4-18
|
P083D
|
E06
|
|
GDUB80
|
80
|
64
|
120
|
675
|
160
|
133
|
8-18
|
P092D
|
E10
|
|
GDUB100
|
100
|
64
|
138
|
705
|
180
|
158
|
8-18
|
P105D
|
E15
|
|
GDUB125
|
125
|
70
|
164
|
745
|
210
|
184
|
8-18
|
P125D
|
E20
|
|
GDUB150
|
150
|
76
|
175
|
830
|
240
|
211
|
8-22
|
P140D
|
E30
|
|
GDUB200
|
200
|
89
|
215
|
880
|
295
|
266
|
12-22
|
P140D
|
E50
|
|
GDUB250
|
250
|
114
|
243
|
955
|
355
|
319
|
12-26
|
P160D
|
E50
|
|
GDUB300
|
300
|
114
|
285
|
1065
|
410
|
370
|
12-26
|
P190D/AW17
|
E90
|
|
GDUB350
|
350
|
127
|
320
|
1100
|
470
|
429
|
16-26
|
P210D/AW17
|
E100
|
|
GDUB400
|
400
|
140
|
350
|
1220
|
525
|
480
|
16-30
|
P240D/AW20
|
E200
|
|
GDUB450
|
450
|
152
|
350
|
1280
|
585
|
548
|
20-30
|
P240D/AW20
|
E200
|
|
GDUB500
|
500
|
152
|
380
|
1320
|
650
|
609
|
20-33
|
P270D/AW20
|
E250
|
|
GDUB600
|
600
|
154
|
435
|
1485
|
770
|
720
|
20-36
|
P300D/AW25
|
|
|
GDUB700
|
700
|
165
|
480
|
1615
|
840
|
794
|
24-36
|
P350D/AW28
|
|
|
GDUB800
|
800
|
190
|
530
|
1750
|
950
|
901
|
24-39
|
P400D/AW35
|
|
备注:
①电动执行器(简称气动头或气缸)和电动执行器(简称电动头)的尺寸,请另查阅执行器资料,以上为设计尺寸,与实物可能存误差。
②如果是选择技术参数中的特选项目或客户有特制要求时,请向我们另行索取尺寸表;
③表中气动头型号为常规配置,若用户气源及工况条件较好,则可优化执行器配置减少成本,若工况条件差,则需加大执行器规格。
GDUB125,GDUB150,GDUB200,GDUB250,GDUB300,GDUB350,GDUB400,GDUB450,GDUB500,GDUB600,
GDUB700,GDUB800,P-GDUB50,P-GDUB65,P-GDUB80,P-GDUB100,P-GDUB250,P-GDUB300,
P-GDUB350,P-GDUB400,P-GDUB450,P-GDUB500,P-GDUB600,P-GDUB700,P-GDUB800,