YDK322-II,电容式压力变送器
技术参数
输 出:
模拟量:二线制4~20mADC
数字量:两线制4~20mADC并叠加符合HART协议的过程变量数字信号。
电源:供电电压12.5~45VDC
负载限制:回路最大负载电阻Rmax取决于供电电压。HART通讯要求负载电阻不低于250Ω ,不高于600Ω
通讯距离:最大通讯距离为1.5Km,多站通讯最多可接15台智能变送器。
输出显示:四位制数字显示、五位LCD液晶显示、指针式。
防爆形式:本安型:ExiaII CT5; 隔爆型。
零点迁移范围: 零点可随意正迁移或负迁移,但不得使设定的测量范围上下限和量程超出极限值。
温度范围:环境温度:-40~85℃ (选用LCD指示表时为-20~70℃)
测量介质温度: -40~104℃
静压和单向超压范围: 3.45Kpa(绝压)~31.2MPa(表压)
相对湿度: 5~98%RH
启动时间: 5秒内启动
容量变化量: 小于0.16cm3
阻尼调整: 时间常熟0.20~25秒
故障报警: 如传感器或电路出现故障,自动诊断功能将自动输出3.9或21.0mA
组态保护: 为了避免变送器的组态数据被随意改动,可通过软件或保护开关锁定存储的数据。
性能指标
参考条件: 零点为下限且未迁移,温度为25℃,大气压,24VDC电源,硅油,隔离膜片316不锈钢,数据整定范围与量程上下限值相同。
精度:所调量程的±0.1%所调量程不小于0.1URL;所调量程的±[0.05+(0.005URL/量程)]% 所调量程不大于0.1URL,不小于0.025URL;所调量程的±[0.01+(0.006URL/量程)]% 所调量程不大于0.025URL,不小于0.01URL。
注:精度指示已包含线性、滞后和重复性的影响。
稳定性: ±0.1%URL/年
温度效应: ±(0.05%URL+0.15%量程)/20℃
静压影响:零点误差:0.1URL/6.9MPa
振动影响: 在任何轴向可经受频率达200Hz的振动,引起的误差为±0.05%URL
电源影响:小于所调量程的0.005%/V
负载影响: 无负载影响
安装位置影响: 大致250Pa零点迁移,可通过校准消除,无量程效应。
射频干扰影响: 在频率30-1000MHz及最大场强10V/m的条件下,引起漂移为所调量程的±0.1%
结构参数
接液件材料
隔离膜片:316L不锈钢,哈氏合金,蒙乃尔或钽。
排气、排液阀:316不锈钢,哈氏合金,蒙乃尔或钽。
法兰及过渡接头:碳钢镀镉、碳钢镀锌、316不锈钢、哈氏合金“O”型圈:氟橡胶
非接液件材料
灌充液:硅油
螺栓:碳钢镀锌
电气壳体:低铜铝合金
盖子“O”型圈:丁腈橡胶
涂层:聚酯环氧树脂
压力接口
法兰引压口:1/4-18NPT螺纹
过渡接头引压口:1/2-14NPT螺纹
电气接口
导线管连接口M20X1.5、1/2-14NPT螺纹
重量
3.6kg(不包括选件)
测量范围

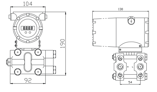
尺寸
