返回
变送器
首页
>
了解产品
>
仪器仪表 自动化
>
压力与隔离及控制
>
变送器
YD322-IE,压力变送器
2015-12-24 12:31
544
信息概况
价格:
未填
型号:
YD322-IE,压力变送器
发货:
3天内
发送询价
YD322-IE,压力变送器
YD322-IE压力变送器是由带隔离膜充油压力传感器和仪表专用集成放大电路组成,使其具有精度高、稳定性好、寿命长、可靠性高、安装方便等特点。适用于各种液体、气体的压力测量。
技术参数
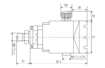
尺寸
联系方式
姓名:销售员1588(女士)
电话:
13861877712
传真:0510-82328771
地区:江苏-无锡市
地址:
无锡市会北路28-135
QQ:
2355802919
0
人关注
0
人点赞
举报
评分:
分
扫一扫访问当前网页
复制链接
二维码
短信
邮件
关闭
同类了解产品
TA10,一体式温度变送器
TA11型,一体式温度变送器
TP10型,温度变送器
HSLYH-G,HSLYH-A,HSLYH-P,通用压力变送器
HSL-3051,智能型压差变送器
HSLYH1-G,HSLYH1-A,HSLYH1-P,精小型压力变送器
取消
发送询价
分享好友
了解产品首页
频道列表
我要评论