返回
执行器
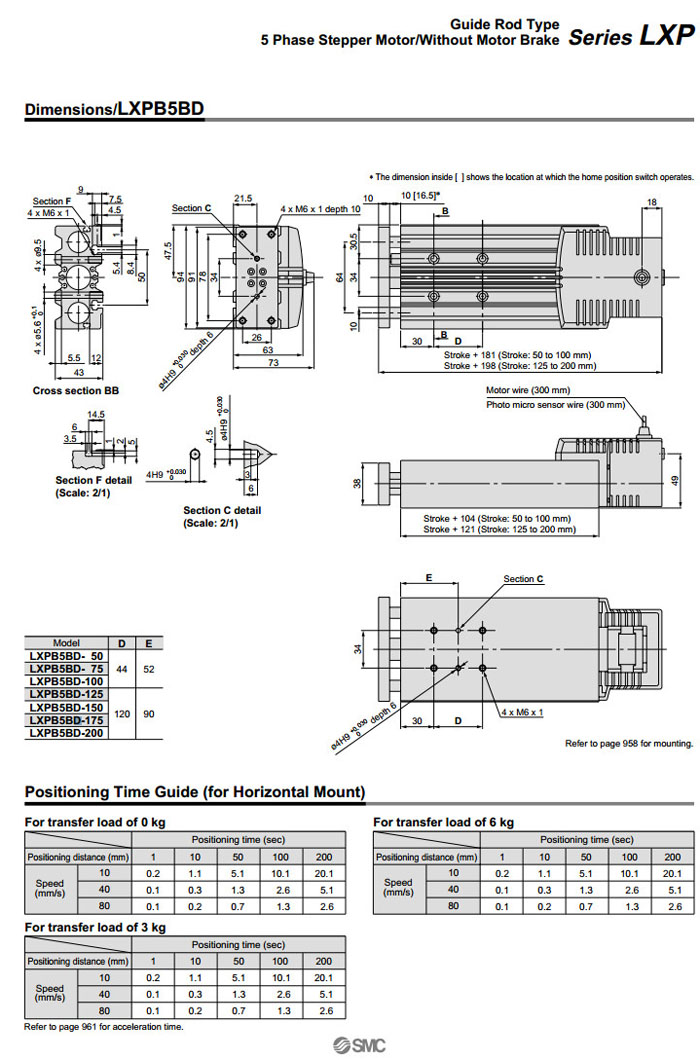
LXPB5BD-50B,LXPB5BD-75B,LXPB5BD-100B,LXPB5BD-125B,LXPB5BD-150B,LXPB5BD-175B,LXPB5BD-200B,SMC短行程电动执行器
2015-12-22 21:55574
信息概况
  • 价格:未填
  • 型号:LXPB5BD-50B,LXPB5BD-75B,LXPB5BD-100B,LXPB5BD-125B,LXPB5BD-150B,LXPB5BD-175B,LXPB5BD-200B,
  • 发货:3天内
联系方式
  • 举报
关闭
同类了解产品