返回
开关类
首页
>
了解产品
>
气动辅助元件
>
气动辅助元件
>
开关类
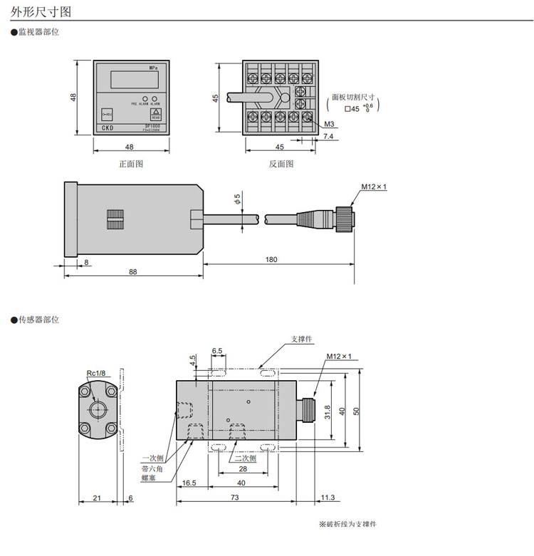
DP1000,CKD电子差压开关
2015-12-21 22:02
461
信息概况
价格:
未填
型号:
DP1000,
发货:
3天内
发送询价
DP1000,CKD电子差压开关
联系方式
姓名:销售员1439(女士)
电话:
13861877712
传真:0510-82328771
地区:江苏-无锡市
地址:
无锡市会北路28-135
QQ:
2355802921
0
人关注
0
人点赞
举报
评分:
分
扫一扫访问当前网页
复制链接
二维码
短信
邮件
关闭
同类了解产品
PSNS-103,PSNS-106,PSNS-110,PSNS-120,压力开关PSNS系列
W13,磁性开关
RO,磁性开关
D-C72,磁性开关
D-C73,磁性开关
D-A72,磁性开关
取消
发送询价
分享好友
了解产品首页
频道列表
我要评论