返回
油雾器
首页
>
了解产品
>
气动辅助元件
>
气源处理元件
>
油雾器
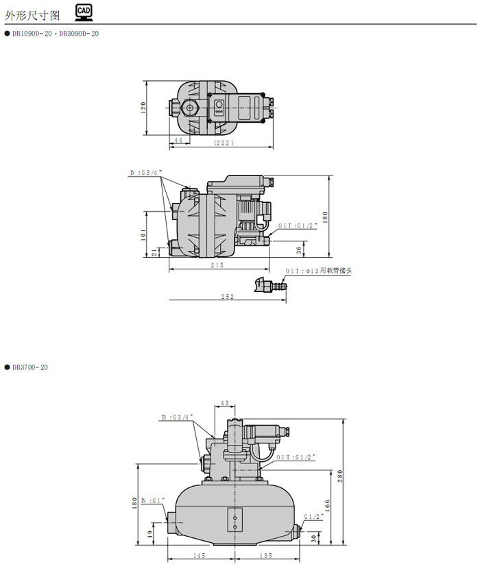
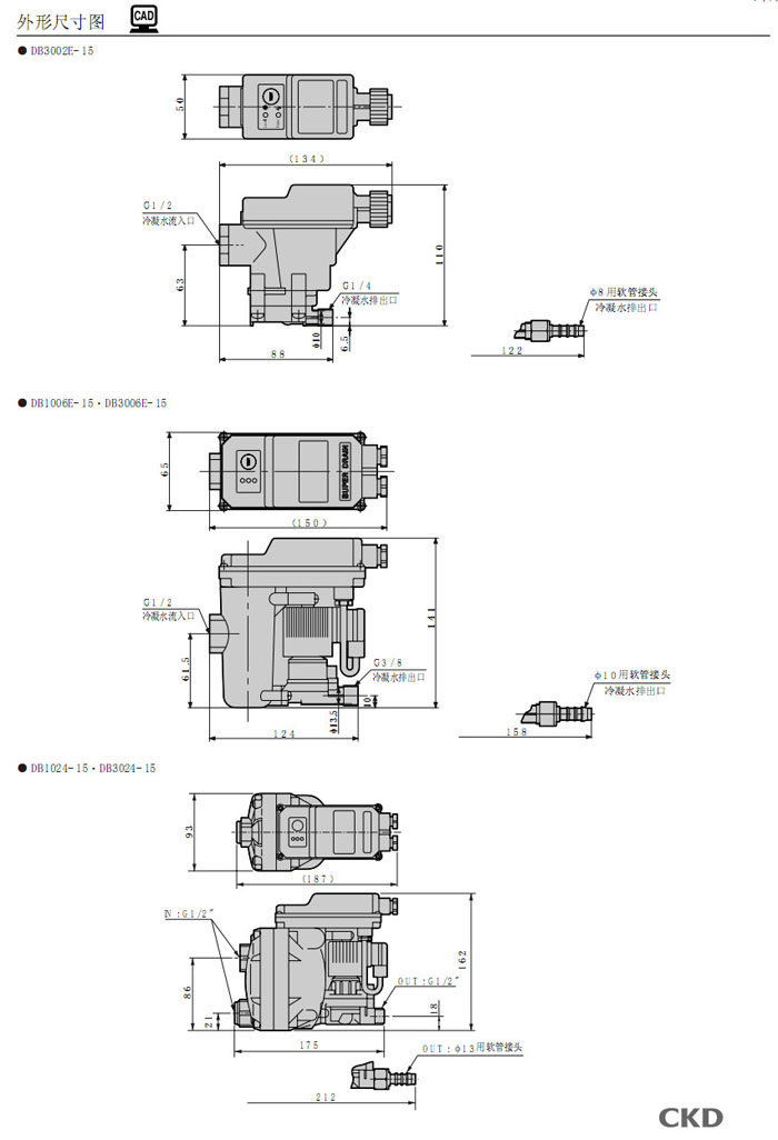
DB3002E-15,DB1006E-15,DB3006E-15,DB1024-15,DB3024-15,DB1090D-20,DB3090D-20,DB3700-20,CKD排水器
2015-12-20 21:39
815
信息概况
价格:
未填
型号:
DB3002E-15,DB1006E-15,DB3006E-15,DB1024-15,DB3024-15,DB1090D-20,DB3090D-20,DB3700-20,
发货:
3天内
发送询价
DB3002E-15,DB1006E-15,DB3006E-15,DB1024-15,DB3024-15,DB1090D-20,DB3090D-20,DB3700-20,CKD排水器
DB3002E-15-AC200V,DB1006E-15-AC200V,DB3006E-15-AC200V,DB1024-15-AC200V,DB3024-15-AC200V,
DB1090D-20-AC200V,DB3090D-20-AC200V,DB3700-20-AC200V,
联系方式
姓名:销售员1439(女士)
电话:
13861877712
传真:0510-82328771
地区:江苏-无锡市
地址:
无锡市会北路28-135
QQ:
2355802921
0
人关注
0
人点赞
举报
评分:
分
扫一扫访问当前网页
复制链接
二维码
短信
邮件
关闭
同类了解产品
QYW系列油雾器
QYWA系列油雾器
POL-1/8,POL-1/4,POL-3/8,POL-3/4,POL-1/2,POL-1,油雾器
GL200-06,GL200-08,GL300-08,GL300-10,GL300-15,GL400-10,GL400-15,GL600-20,GL600-25,气源处理原件--油雾器
AIRTAC亚德客 油雾分离器GPF20006M,GPF20006D,GPF20008M,GPF20008D,GPF30008M,GPF30008D,GPF30010M,GPF30010D,GPF40010M,GPF40010D,GPF40015M,GPF40015D
OUB1S/040B0023,Danfoss油分离器
取消
发送询价
分享好友
了解产品首页
频道列表
我要评论