返回
执行器
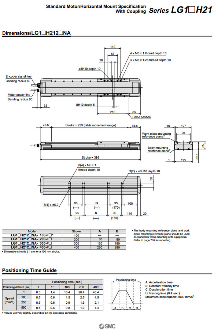
LG1H2121NA,LG1H2122NA,LG1TH2121NA,LG1TH2122NA,LG1H21821NA,LG1H21822NA,LG1TH21821NA,LG1TH21822NA,SMC薄
2015-12-20 17:49608
信息概况
  • 价格:未填
  • 型号:LG1H2121NA,LG1H2122NA,LG1TH2121NA,LG1TH2122NA,LG1H21821NA,LG1H21822NA,LG1TH21821NA,LG1TH21822NA,
  • 发货:3天内
联系方式
  • 举报
关闭
同类了解产品