E-GDUC电动法兰式硬密封蝶阀
技术参数
电动选配
E系列
电源电压
AC220V、AC380V(其它特制)
环境温度
-30℃~+70℃
防护等级
IP67
功能选项
防爆型
防爆等级:dIIBT3/T4
信号反馈
X1机械式无源信号,X2有源信号
带加热器
可在潮湿环境干燥执行器内元件
手动功能
电动执行器带有手动开阀、关阀功能
调节型
输入4~20mA信号,实现球阀调节功能
备注:电动参数请另参考所选配的电动执行器资料。
阀体参数
公称压力
PN10、PN16、PN25
连接方式
法兰 JB、GB(特选ANSI、JIS)
阀体材质
WCB、SS304、SS316、SS316L
碟板材质
密封材料
Y(多层或混合硬密封)、S(不锈钢金属密封)
工作温度
T6: -30℃~250℃(Y) T7: -30℃~350℃(S) T8: -40℃~400℃(S) T9: -40℃~450℃(S)
标准规范
* 法兰标准:GB9113、GB9113、GB9115
* 检测与试验:GB/T13927-1992、B/T 9092-1999
* 设计标准:JB-T 8527-1997
* 结构长度:GB/T 12221
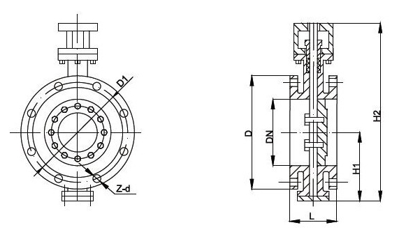
GB阀体尺寸
公称压力bar
型号规格
DN
LA型
LB型
D
D1
H1
H2
z-d
P-气动头
E-电动头
PN16 WCB、304、316
GDUC50
50
108
150
165
125
112
655
4-18
P075D
E06
GDUC65
65
170
185
145
115
665
P083D
GDUC80
80
114
180
200
160
120
675
8-18
P092D
E10
GDUC100
100
127
190
220
138
705
P105D
E15
GDUC125
140
250
210
164
745
P125D
E20
GDUC150
285
240
175
830
8-22
P140D
E30
GDUC200
152
230
340
295
880
12-22
E50
GDUC250
405
355
243
955
12-26
P160D
GDUC300
300
178
270
460
410
1065
P190D
E90
GDUC350
350
290
520
470
280
1100
16-26
P210D
E100
GDUC400
400
216
310
580
525
305
1220
16-30
P240D
E200
GDUC450
450
222
330
640
585
1280
20-30
GDUC500
500
229
715
650
380
1320
20-33
P270D
E250
GDUC600
600
267
390
840
770
445
1485
20-36
P300D
GDUC700
700
292
430
910
480
1615
24-36
P350D
GDUC800
800
318
1025
950
530
1750
24-39
P400D