E-GDUB电动对夹式硬密封蝶阀
技术参数
电动选配
E系列
电源电压
AC220V、AC380V(其它特制)
环境温度
-30℃~+70℃
防护等级
IP67
功能选项
防爆型
防爆等级:dIIBT3/T4
信号反馈
X1机械式无源信号,X2有源信号
带加热器
可在潮湿环境干燥执行器内元件
手动功能
电动执行器带有手动开阀、关阀功能
调节型
输入4~20mA信号,实现球阀调节功能
备注:电动参数请另参考所选配的电动执行器资料。
阀体参数
公称压力
PN10、PN16、PN25
连接方式
法兰 JB、GB(特选ANSI、JIS)
阀体材质
WCB、SS304、SS316、SS316L
碟板材质
密封材料
Y(多层或混合硬密封)、S(不锈钢金属密封)
工作温度
T6: -30℃~250℃(Y) T7: -30℃~350℃(S) T8: -40℃~400℃(S) T9: -40℃~450℃(S)
标准规范
* 法兰标准:GB9113、GB9113、GB9115
* 检测与试验:GB/T13927-1992、B/T 9092-1999
* 设计标准:JB-T 8527-1997
* 结构长度:GB/T 12221
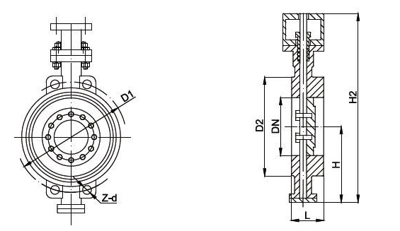
GB阀体尺寸(mm)
公称压力(Mpa)
型号规格
DN
L
H
H2
D1
D2
z-d
P-气动头
E-电动头
PN16 WCB、304、316
GDUB50
50
43
112
655
125
102
4-18
P075D
E06
GDUB65
65
46
115
665
145
122
P083D
GDUB80
80
64
120
675
160
133
8-18
P092D
E10
GDUB100
100
138
705
180
158
P105D
E15
GDUB125
70
164
745
210
184
P125D
E20
GDUB150
150
76
175
830
240
211
8-22
P140D
E30
GDUB200
200
89
215
880
295
266
12-22
E50
GDUB250
250
114
243
955
355
319
12-26
P160D
GDUB300
300
285
1065
410
370
P190D/AW17
E90
GDUB350
350
127
320
1100
470
429
16-26
P210D/AW17
E100
GDUB400
400
140
1220
525
480
16-30
P240D/AW20
E200
GDUB450
450
152
1280
585
548
20-30
GDUB500
500
380
1320
650
609
20-33
P270D/AW20
E250
GDUB600
600
154
435
1485
770
720
20-36
P300D/AW25
GDUB700
700
165
1615
840
794
24-36
P350D/AW28
GDUB800
800
190
530
1750
950
901
24-39
P400D/AW35
备注: ①电动执行器(简称气动头或气缸)和电动执行器(简称电动头)的尺寸,请另查阅执行器资料,以上为设计尺寸,与实物可能存误差。 ②如果是选择技术参数中的特选项目或客户有特制要求时,请向我们另行索取尺寸表; ③表中气动头型号为常规配置,若用户气源及工况条件较好,则可优化执行器配置减少成本,若工况条件差,则需加大执行器规格。