|
技术参数 |
|
|
电动选配 |
E系列 |
|
电源电压 |
AC220V、AC380V(其它特制) |
|
环境温度 |
-30℃~+70℃ |
|
防护等级 |
IP67 |
|
功能选项 |
|
|
防爆型 |
防爆等级:dIIBT3/T4 |
|
信号反馈 |
X1机械式无源信号,X2有源信号 |
|
带加热器 |
可在潮湿环境干燥执行器内元件 |
|
手动功能 |
电动执行器带有手动开阀、关阀功能 |
|
调节型 |
输入4~20mA信号,实现球阀调节功能 |
|
备注:电动参数请另参考所选配的电动执行器资料。 |
|
|
阀体参数 |
|
|
公称压力 |
PN10、PN16、PN25 |
|
连接方式 |
法兰 JB、GB(特选ANSI、JIS) |
|
阀体材质 |
WCB、SS304、SS316、SS316L |
|
碟板材质 |
WCB、SS304、SS316、SS316L |
|
密封材料 |
Y(多层或混合硬密封)、S(不锈钢金属密封) |
|
工作温度 |
T6: -30℃~250℃(Y) |
|
标准规范 |
|
* 法兰标准:GB9113、GB9113、GB9115 |
|
* 检测与试验:GB/T13927-1992、B/T 9092-1999 |
|
* 设计标准:JB-T 8527-1997 |
|
* 结构长度:GB/T 12221 |

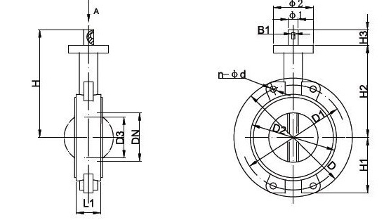
GB阀体尺寸(mm)
|
PN10 |
||||||||||||||
|
型号规格 |
DN |
L1 |
H1 |
H2 |
H3 |
Φ1 |
Φ2 |
B1 |
D3 |
D2 |
D1 |
n-d |
P-气动头 |
E-电动头 |
|
GDUA50 |
50 |
43 |
70 |
130 |
30 |
12.6 |
70 |
3 |
32 |
92 |
125 |
4-Φ18 |
P063D |
E06 |
|
GDUA65 |
65 |
46 |
76 |
143 |
30 |
12.6 |
70 |
3 |
47 |
106 |
145 |
4-Φ18 |
P063D |
E06 |
|
GDUA80 |
80 |
46 |
89 |
155 |
30 |
12.6 |
70 |
3 |
65 |
122 |
160 |
4-Φ18 |
P083D |
E10 |
|
GDUA100 |
100 |
52 |
104 |
170 |
30 |
15.78 |
90 |
5 |
91 |
150 |
180 |
8-Φ18 |
P092D |
E10 |
|
GDUA125 |
125 |
56 |
120 |
190 |
30 |
18.95 |
90 |
5 |
112 |
177 |
210 |
8-Φ18 |
P105D |
E15 |
|
GDUA150 |
150 |
56 |
132 |
210 |
30 |
18.95 |
90 |
5 |
146 |
204 |
240 |
8-Φ22 |
P125D |
E20 |
|
GDUA200 |
200 |
60 |
167 |
243 |
39 |
22.13 |
115 |
5 |
194 |
260 |
295 |
8-Φ22 |
P125D |
E30 |
|
GDUA250 |
250 |
68 |
202 |
282 |
39 |
28.48 |
115 |
8 |
242 |
314 |
350 |
12-Φ22 |
P140D |
E40 |
|
GDUA300 |
300 |
78 |
239 |
310 |
39 |
31.65 |
140 |
8 |
292 |
370 |
400 |
12-Φ22 |
P160D |
E60 |
|
PN16 |
|||||||||
|
型号规格 |
DN |
L1 |
H |
D |
D1 |
D2 |
n-d |
P-气动头 |
E-电动头 |
|
GDUA50 |
50 |
43 |
150 |
160 |
125 |
100 |
4-Φ18 |
P063D |
E06 |
|
GDUA65 |
65 |
46 |
160 |
180 |
145 |
120 |
4-Φ18 |
P063D |
E06 |
|
GDUA80 |
80 |
46 |
170 |
195 |
160 |
135 |
4-Φ18 |
P083D |
E10 |
|
GDUA100 |
100 |
52 |
185 |
215 |
180 |
155 |
8-Φ18 |
P092D |
E10 |
|
GDUA125 |
125 |
56 |
210 |
245 |
210 |
185 |
8-Φ18 |
P105D |
E15 |
|
GDUA150 |
150 |
56 |
230 |
280 |
240 |
210 |
8-Φ22 |
P125D |
E20 |
|
GDUA200 |
200 |
60 |
285 |
335 |
295 |
265 |
8-Φ22 |
P125D |
E30 |
|
GDUA250 |
250 |
68 |
325 |
405 |
355 |
320 |
12-Φ25 |
P140D |
E40 |
|
GDUA300 |
300 |
78 |
360 |
460 |
410 |
375 |
12-Φ25 |
P160D |
E60 |
|
GDUA350 |
350 |
78 |
430 |
520 |
470 |
435 |
12-Φ25 |
P160D |
E90 |
|
GDUA400 |
400 |
102 |
475 |
580 |
525 |
485 |
12-Φ30 |
P190D/AW17 |
E160 |
|
GDUA450 |
450 |
114 |
525 |
640 |
585 |
545 |
12-Φ30 |
P190D/AW17 |
E160 |
|
GDUA500 |
500 |
127 |
565 |
705 |
650 |
608 |
12-Φ34 |
P210D/AW17 |
E200 |
|
GDUA600 |
600 |
154 |
620 |
840 |
770 |
718 |
12-Φ41 |
P240D/AW20 |
E250 |
| 备注:①电动执行器(简称气动头或气缸)和电动执行器(简称电动头)的尺寸,请另查阅执行器资料,以上为设计尺寸,与实物可能存误差。②如果是选择技术参数中的特选项目或客户有特制要求时,请向我们另行索取尺寸表;③表中气动头型号为常规配置,若用户气源及工况条件较好,则可优化执行器配置减少成本,若工况条件差,则需加大执行器规格。 |
