E-005,E-008,E-010,E-015,E-020,E-030,E-040,E-060,E-080,E-100,电动执行器
E-160,E-200,E-300,
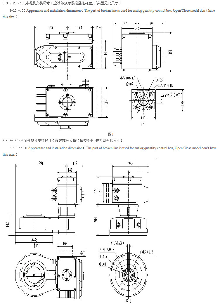
1.概述Summary
“E”系列电动执行器用于控制0°~270°旋转的阀门及其他同类产品,如蝶阀、球阀、风门、挡板阀、旋塞阀、百叶阀等,可以广泛应用于石油、化工、水处理、船舶、造纸、电站、供热供暖、楼宇自控、轻工等各行业中。它以380V/220V/110V交流电源为驱动电源,以4-20mA电流信号或0-10V DC 电压信号为控制信号,可使阀门运动到所需位置,实现其自动化控制,最大输出扭矩达4000N·m。
The series of "E" electric actuator is used for controlling 0°~270° rotation of the valves and other similar products, such as butterfly valve, ball valve, damper, flapper valves, cock valves, etc. It’s widely used in petroleum, chemical, water treatment, shipping, paper making, power plants, heating, light industry and other industries. It drives by 380V/220V/110V AC power. Control signal is 4-20mA current signal or 0-10V DC voltage signal, enables move the valve to the desired position, achieving its automation, maximum output torque is up to 4000N·m..
2.性能特点Performance Features
2.1壳体Shell
壳体为硬质铝合金,经阳极氧化处理和聚酯粉末涂层,耐腐蚀性强,防护等级为IP67,NEMA4和6,并有IP68型供选择。
The shell is made of horniness aluminium alloy, pass through anodic oxidation treatment and polyester powder coating, so it has strong corrosion resistance. Protection grade is IP67,NEMA 4 AND 6, and optional IP68 type.
2.2电机Electric Machinery
全封闭式鼠笼式电机,体积小,扭矩大,惯性力小,绝缘等级为F级,内置过热保护开关,可防止过热损坏电机。
Fully enclosed Squirrel-cage electric Machinery, small volume, large torque, and small inertia force, F-class insulation rating, inside hot protection switch, avoid damaging the electric machinery.
2.3手动结构Manual Structure
手柄的设计保证安全可靠、省力、体积小。不通电时,扳动手柄可进行手动操作。不用手动时,将扳手置于扳手夹内,方便使用。
The design of handle ensure safe, reliable, labor-saving, small volume. When it don’t have electricity, it can be manually operated by handle. When you don't operate by manus, you can put the spanner in the spanner folder, then you can easy to use it.
2.4指示器Indicator
指示器安装在中心轴上,可以观察阀门位置。透镜采用凸出镜设计,不积水,观察更方便。
Indicator installs in the center axis, so it can observes the valve position. It adopts convex mirror design, no cumulate water, more convenient to observe.
2.5干燥器Space heater
用来控制温度,防止由于温度和天气变化导致执行器内部水分凝结,保持内部电气元件的干燥。
It is used for controlling temperature, avoiding internal moisture of electric actuator condensed because of the changing of temperature and weather,keep inner electric device dry.
2.6密封Sealing
密封性好,标准产品防护等级是IP67,并可选IP68防护等级。
Good sealing performance, and the protection class of standard product is IP67, and optional IP68 protection grade.
2.7限位开关Limit switch
机械,电子双重限位。机械限位螺钉可调,安全可靠;电子限位开关由凸轮机构来控制,简单的调整机构能精确并方便地设定位置,且不受手轮过量的影响。
Mechanical, electronic double limit. Mechanical limit screw is adjustable, safe and reliable; electron limit switch is controlled by the cam mechanism, easy adjustment institutions can set the position accurately and conveniently, and it doesn’t affect overly by handwheel.
2.8自锁Self-locking
精密的蜗轮蜗杆机构可高效传输大扭矩,效率高,噪音低(最大50分贝),寿命长;有自锁功能,防止反转,传动部分稳定可靠,无需再加油。
Exact worm and worm gear can efficiently transfer large torque, high efficiency, low noise (max. 50 dB), long life, and it has self-locking function to prevent the inversion, transmission part is stable and reliable, no need to add oil.
2.9防脱螺栓Anti-off bolt
拆除外壳时,螺栓附在壳体上,不会脱落。
When removed the shell, the bolt would be attached to the shell and didn’t fall off.
2.10安装Install
底部安装尺寸符合ISO5211/ DIN3337国际标准,孔成双四方形便于带方杆的阀线性或45°转角安装,适应性强。可以垂直安装,也可以水平安装。
The installation size of the bottom conforms to the international standard ISO5211 / DIN3337, The holes are double square so that it’s easy to fix the linear or 45°corner valves attached square bar, adaptable. It can be installed vertically, and also can be installed level.
2.11线路Circuitry
控制线路符合单相或三相电源标准,线路布置紧凑合理,接线端子可有效满足各种附加功能的要求。
Control circuit conforms to the single-phase or three-phase power supply standard, reasonably compact line layout, wiring terminals can effectively satisfy a variety of additional functional requirements.
3.性能参数 Performance Parameter
|
型号
Model
|
最大输出扭矩
N·M
|
动作时间90°Operating (S)
|
输出轴(mm)
Output axis
|
电机
Motor
(W)
|
单相额定电流
Single-phase rated current(A)50HZ
220V(A)50HZ
|
重量
Weigh
(kg)
|
|
方
Square
|
深
Deep
|
圆Round
|
深
Deep
|
|
E-005
|
50
|
30
|
11×11
|
15.5
|
Φ12.6
|
26
|
10
|
0.25
|
3.6
|
|
14×14
|
18
|
|
E-008
|
80
|
30
|
11×11
|
15.5
|
Φ15.7
|
26
|
10
|
0.25
|
3.6
|
|
14×14
|
18
|
|
E-010
|
100
|
30
|
14×14
|
18
|
Φ15.7
|
28
|
15
|
0.35
|
4.6
|
|
17×17
|
22.5
|
Φ18.95
|
28
|
|
E-015
|
150
|
30
|
14×14
|
18
|
Φ18.95
|
28
|
15
|
0.37
|
4.6
|
|
17×17
|
22.5
|
|
E-020
|
200
|
30
|
22×22
|
26
|
Φ22.13
|
45
|
45
|
0.3
|
13
|
|
E-030
|
300
|
30
|
22×22
|
26
|
Φ28.48
|
45
|
45
|
0.31
|
13.4
|
|
E-040
|
400
|
30
|
22×22
|
26
|
Φ28.48
|
45
|
60
|
0.33
|
13.8
|
|
E-060
|
600
|
30
|
27×27
|
32.5
|
Φ31.65
|
45
|
90
|
0.33
|
14
|
|
E-080
|
800
|
45
|
27×27
|
32.5
|
Φ31.65
|
45
|
180
|
0.47
|
14.3
|
|
E-100
|
1000
|
135
|
27×27
|
32.5
|
Φ31.65
|
45
|
180
|
0.47
|
14.5
|
|
E-160
|
1600
|
135
|
Max φ45
|
深65
|
180
|
0.85
|
60
|
|
E-200
|
2000
|
135
|
Max φ45
|
深65
|
180
|
0.85
|
60
|
|
E-300
|
3000
|
135
|
Max φ45
|
深65
|
180
|
0.85
|
60
|
| |
|
|
|
|
|
|
|
|
|
|
4.标准技术参数 Standard Technical Parameter
|
外壳Shell
|
铝合金外壳,防水级别:IP67,NEMA4 and 6
Aluminium alloy Shell, waterproof leve:IP67,NEMA4 and 6
|
|
|
电机电源Power supply
|
110/220V AC 1Phase,380/440V AC 3Phase, 50/60Hz, ±10%
|
|
|
控制电源Control supply
|
110/220V AC 1Phase,50/60 Hz, ±10%
|
|
|
电机Motor
|
鼠笼式异步电机Squirrel-cage Asynchronous Motor
|
|
|
限位开关Limit switch
|
2 X 开(Open)/关(Close),SPDT,250V AC 10A
|
|
|
辅助限位开关
Additional Limit switch
|
2 X 开(Open)/关(Close),SPDT,250V AC 10A
|
|
|
行程Travel angle
|
90°~270°±10°(90°以上提前说明)
When it’s over 90°,please note us in advance
|
0°~270°
|
|
失速保护/操作温度
Stall protection/
Operating temperature
|
内置热保护,开120℃ ±5℃/关97℃ ± 5℃
Built-in thermal protection, On 120℃ ±5℃/Off 97℃ ± 5℃
|
|
|
指示器Indicator
|
连续的位置指示Continuous situation indication
|
|
|
手动操作Manul operation
|
机械手柄Mechanical handle
(可选装手轮Optional:fixing with the handwheel )
|
|
|
自锁装置
Self-locking device
|
蜗轮,蜗杆机构提供自锁
Provide self-locking by worm and worm gear
|
|
|
机械限位
Mechanical Limit
|
2个外部调整螺栓2 external adjustable screws
|
|
|
干燥器Space heater
|
7-10W (110/220V AC)防冷凝Anti-condensation
|
|
|
接线孔Conduit entries
|
2个(Pieces) M18
|
|
|
环境温度
Ambient temperature
|
-20℃--+70℃
|
|
|
润滑Lubrication
|
铝基润滑脂(EP型)Grease moly(EP tyte)
|
|
|
材料Material
|
钢,铝合金,铝青铜,聚碳酸脂
Steel, Aluminium alloy, Aluminium bronze, Polycarbonate
|
|
|
环境湿度
Ambient humidity
|
最大(Max) 90% RH
|
非凝结Non-Condensing
|
|
抗震性能Anti-vibration
|
X Y Z 10g,0.2~34 Hz,30分(minutes)
|
|
|
外涂层External coating
|
干粉,环氧聚酯Dry powder, Epoxy polyester
|

